क्यू आर संहिता
हमारे बारे में
उत्पादों
संपर्क करें


फैक्स
+86-574-87168065


पता
लुओटुओ औद्योगिक क्षेत्र, झेनहाई जिला, निंगबो शहर, चीन
यदि आप ऐसी मशीनरी के साथ काम कर रहे हैं जैसे पंप जो पूरे दिन तरल पदार्थ ले जाते हैं, पंखे जो स्थानों को हवादार रखते हैं, या कपड़ा उपकरण जो बिना रुके चलते हैं - तो आपको एक ऐसे युग्मन की आवश्यकता होती है जो छोटे गलत संरेखण को संभालने के लिए पर्याप्त लचीला हो लेकिन टॉर्क को स्थिर रखने के लिए पर्याप्त कठोर हो। रेडाफॉन का एनएल टाइप नायलॉन गियर फ्लेक्सिबल कपलिंग बिल्कुल इसी के लिए बनाया गया है। यह 4 मिमी तक अक्षीय मिसलिग्न्मेंट और 2 डिग्री कोणीय मिसलिग्न्मेंट को संभालता है, इसलिए जब आपके शाफ्ट पूरी तरह से पंक्तिबद्ध नहीं होते हैं, तब भी यह आपके गियर को बिना किसी रुकावट के चालू रखता है।
हमारे पास एनएल1 से लेकर एनएल10 तक सभी मॉडल हैं, इसलिए यह लगभग किसी भी हल्के से मध्यम-ड्यूटी वाले काम के लिए उपयुक्त है। टॉर्क क्षमता 40 एनएम से 3150 एनएम तक होती है, और बोर का व्यास 6 मिमी से 100 मिमी तक होता है - बहुत बड़े या बहुत छोटे आकार की तलाश करने की कोई आवश्यकता नहीं है। जो चीज़ इस नायलॉन गियर के लचीले कपलिंग को सबसे अलग बनाती है, वह है इसकी बनावट: स्टील हब के साथ जोड़ी गई एक उच्च शक्ति वाली नायलॉन स्लीव। उस कॉम्बो का मतलब है कि यह चुपचाप चलता है, और आपको रखरखाव के लिए इसे मुश्किल से छूना पड़ता है - आपको धीमा करने के लिए कोई निरंतर जांच या सुधार नहीं होता है। यह औद्योगिक मशीनरी के लिए लचीले गियर कपलिंग के लिए उपयुक्त है, और यदि आप विशेष रूप से पंपों के साथ काम कर रहे हैं, तो यह पंपों के लिए सबसे विश्वसनीय नायलॉन स्लीव गियर कपलिंग में से एक है। साथ ही, इसका कॉम्पैक्ट डिज़ाइन टाइट सेटअप में फिट बैठता है, और यह -20°C और +70°C के बीच आसानी से काम करता है—चाहे आपका कार्यस्थल ठंडा हो या गर्म।
रेडाफॉन में, हम चीन में ये कपलिंग बनाते हैं, और हम आईएसओ 9001 मानकों का सख्ती से पालन करते हैं - यह सुनिश्चित करने के लिए हर हिस्से की जांच की जाती है कि यह टिकाऊ है और लंबे समय तक चलने के लिए तैयार है। नायलॉन स्लीव न केवल मजबूत है, यह गैर-प्रवाहकीय और संक्षारण प्रतिरोधी भी है। यह आर्द्र स्थानों या रसायनों वाले क्षेत्रों के लिए एक गेम-चेंजर है, जहां अन्य कपलिंग जंग खा सकते हैं या खराब हो सकते हैं - यह लंबे समय तक चलता रहता है। और इसकी सरल संरचना असेंबली और डिस्सेम्बली को आसान बनाती है: कोई जटिल उपकरण नहीं, बस त्वरित काम जब आपको इसे बदलने या रखरखाव करने की आवश्यकता होती है। यही कारण है कि यह कस्टम नायलॉन गियर कपलिंग के लिए एक शीर्ष पसंद है - हम इसे आपके विशिष्ट सेटअप में फिट करने के लिए बदल सकते हैं - और यह कपड़ा उपकरण के लिए सबसे टिकाऊ लचीले गियर कपलिंग में से एक है, जो बुनाई या कताई मशीनों की निरंतर गति को बनाए रखता है।
हम सभी प्रकार के आकार और शाफ्ट कॉन्फ़िगरेशन की पेशकश करते हैं, इसलिए आपको एक कपलिंग मिलती है जो आपकी मशीनरी के अनुरूप होती है - एक आकार-फिट-किसी में फिट नहीं होने वाला विकल्प। और हम कीमत प्रतिस्पर्धी रखते हैं, ताकि आपको गुणवत्ता के लिए अधिक खर्च न करना पड़े। दुनिया भर के व्यवसायों के लिए, इसका मतलब है कम डाउनटाइम (क्योंकि इसे स्थापित करना और बनाए रखना आसान है) और बेहतर उपकरण दक्षता - वही जो आपको संचालन को सुचारू रखने के लिए चाहिए।
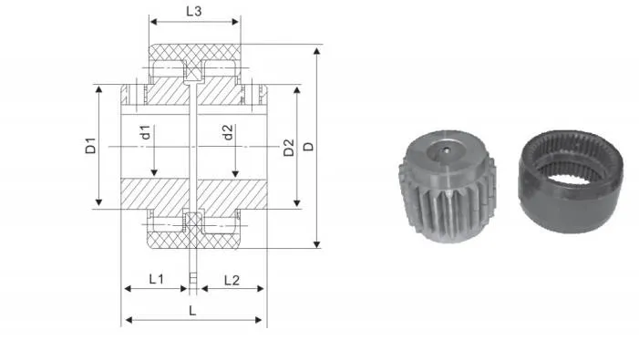
एनएल प्रकार के नायलॉन गियर लचीले युग्मन का मुख्य कार्य तर्क टॉर्क ट्रांसमिशन को प्राप्त करने के लिए मेशिंग गियर दांतों पर निर्भर करता है, जबकि अंदर नायलॉन आस्तीन, एक प्रमुख लचीले घटक के रूप में, न केवल शाफ्ट सिस्टम मिसलिग्न्मेंट के लिए प्रभावी ढंग से क्षतिपूर्ति कर सकता है, बल्कि झटके को अवशोषित करने में भी महत्वपूर्ण भूमिका निभाता है। इस संरचनात्मक डिजाइन में, बाहरी दांतों वाले दो हब एक अंतर्निर्मित नायलॉन आंतरिक गियर आस्तीन के माध्यम से जुड़े हुए हैं। यह संयोजन न केवल यांत्रिक प्रणालियों में कुशल विद्युत संचरण सुनिश्चित करता है बल्कि ऑपरेशन के दौरान उत्पन्न कंपन और प्रभावों को भी काफी कम करता है। यह डिज़ाइन लाभ एनएल प्रकार के नायलॉन गियर लचीले कपलिंग के अनुप्रयोग मामलों में विशेष रूप से स्पष्ट है जिन्हें छोटे और मध्यम आकार के उपकरणों के लिए अनुकूलित करने की आवश्यकता होती है।
जब ड्राइविंग शाफ्ट टॉर्क को किसी एक हब तक पहुंचाता है, तो हब पर लगे बाहरी दांत नायलॉन आंतरिक गियर स्लीव के आंतरिक दांतों के साथ सटीक रूप से मेल खाएंगे, और फिर नायलॉन आंतरिक गियर स्लीव संचालित शाफ्ट से जुड़े दूसरे हब तक आसानी से शक्ति संचारित कर देगा। यहां तक कि कामकाजी परिस्थितियों में जहां शाफ्ट सिस्टम में कोणीय, समानांतर या अक्षीय मिसलिग्न्मेंट होता है, यह मेशिंग ट्रांसमिशन तंत्र अभी भी उपकरण के स्थिर संचालन को सुनिश्चित कर सकता है। इसलिए, जिन क्षेत्रों में विश्वसनीय लचीले गियर कपलिंग समाधान की आवश्यकता होती है, जैसे स्वचालित उत्पादन लाइनों की ट्रांसमिशन प्रणाली, पंप उपकरण का पावर कनेक्शन और कन्वेयर के ड्राइविंग डिवाइस, एनएल प्रकार नायलॉन गियर लचीला कपलिंग एक पसंदीदा उत्पाद है।
एनएल प्रकार के नायलॉन गियर लचीले कपलिंग में उपयोग की जाने वाली नायलॉन सामग्री में उत्कृष्ट लोच और भिगोना गुण होते हैं, जो न केवल इससे जुड़े यांत्रिक उपकरणों के घिसाव को कम कर सकते हैं, बल्कि पूरे ट्रांसमिशन सिस्टम की सेवा जीवन को भी बढ़ा सकते हैं। एक पेशेवर गियर कपलिंग निर्माता के रूप में, रेडाफॉन उन्नत सामग्रियों का चयन करता है और एनएल प्रकार के कपलिंग का उत्पादन करते समय विनिर्माण प्रक्रिया को अनुकूलित करता है, जिससे उत्पादों को विभिन्न उद्योगों में जटिल कामकाजी परिस्थितियों में उत्कृष्ट प्रदर्शन बनाए रखने में सक्षम बनाया जाता है। उदाहरण के लिए, परिवर्तनीय भार से निपटने वाले परिदृश्यों में, रेडाफ़ोन द्वारा निर्मित एनएल प्रकार नायलॉन गियर लचीला युग्मन शाफ्ट सिस्टम मिसलिग्न्मेंट के कारण होने वाली ट्रांसमिशन विफलताओं से बचने और उपकरण डाउनटाइम को कम करने के लिए अपनी उत्कृष्ट मिसलिग्न्मेंट क्षतिपूर्ति क्षमता पर भरोसा कर सकता है।
एनएल प्रकार के नायलॉन गियर लचीले युग्मन को स्थिर कार्य कुशलता बनाए रखने के लिए, दैनिक रखरखाव आवश्यक है, जिसमें गियर दांत के हिस्सों का नियमित स्नेहन एक महत्वपूर्ण कड़ी है। उचित स्नेहन गियर टूथ मेशिंग के दौरान घर्षण हानि को कम कर सकता है, कपलिंग के संचालन स्थिरता में और सुधार कर सकता है और विफलताओं की संभावना को कम कर सकता है। सामान्य तौर पर, एनएल प्रकार नायलॉन गियर लचीले युग्मन का कार्य सिद्धांत कठोर हब और लचीली नायलॉन आस्तीन के सहक्रियात्मक प्रभाव के माध्यम से ट्रांसमिशन सिस्टम के लचीलेपन और स्थिरता को ध्यान में रखते हुए मजबूत टॉर्क ट्रांसमिशन प्राप्त करना है। एक अनुभवी गियर कपलिंग आपूर्तिकर्ता के रूप में, रेडाफॉन विभिन्न उद्योगों में ग्राहकों को मजबूत अनुकूलनशीलता और उच्च स्थायित्व के साथ एनएल प्रकार के नायलॉन गियर लचीले कपलिंग उत्पाद प्रदान करना सुनिश्चित करने के लिए हमेशा सख्त मानकों में उत्पाद की सटीकता और विश्वसनीयता को नियंत्रित करता है।
एनएल टाइप नायलॉन गियर फ्लेक्सिबल कपलिंग को विशेष रूप से मांग वाले यांत्रिक परिदृश्यों में उच्च-प्रदर्शन अनुप्रयोगों के लिए इंजीनियर किया गया है। यह शाफ्ट मिसलिग्न्मेंट को लचीले ढंग से समायोजित करते हुए स्थिर पावर ट्रांसमिशन सुनिश्चित करता है, जिससे यह नायलॉन स्लीव गियर कपलिंग की श्रेणी में एक अत्यधिक प्रतिस्पर्धी विकल्प बन जाता है। इस कपलिंग का मुख्य डिजाइन आकर्षण इसकी उच्च-शक्ति नायलॉन आस्तीन में निहित है, जो न केवल युग्मन को उत्कृष्ट लोचदार विरूपण क्षमता प्रदान करता है, बल्कि समग्र संरचना के स्थायित्व को भी महत्वपूर्ण रूप से बढ़ाता है। यह इसे औद्योगिक उपकरणों में एक महत्वपूर्ण लचीले नायलॉन स्लीव गियर कपलिंग घटक के रूप में विशेष रूप से उपयुक्त बनाता है जो विस्तारित अवधि के लिए संचालित होता है।
टॉर्क ट्रांसमिशन क्षमता के संदर्भ में, एनएल टाइप नायलॉन गियर फ्लेक्सिबल कपलिंग उत्कृष्ट प्रदर्शन प्रदान करता है, आसानी से उच्च-टॉर्क लोड आवश्यकताओं को संभालता है। चाहे हेवी-ड्यूटी मशीन टूल्स, खनन मशीनरी, या बड़े पैमाने पर कन्वेयर उपकरण - जिनमें से सभी बिजली ट्रांसमिशन में उच्च विश्वसनीयता की मांग करते हैं - यह स्थिर रूप से संचालित होता है, खुद को कई उच्च-टोक़ कामकाजी परिस्थितियों के लिए पसंदीदा उच्च-टोक़ नायलॉन गियर कपलिंग मॉडल के रूप में स्थापित करता है। यांत्रिक संचालन के दौरान शाफ्ट मिसलिग्न्मेंट के सामान्य मुद्दे को संबोधित करते समय, यह लचीला नायलॉन गियर युग्मन उत्कृष्ट अनुकूलन क्षमता भी प्रदर्शित करता है। यह कोणीय मिसलिग्न्मेंट, समानांतर मिसलिग्न्मेंट और अक्षीय मिसलिग्न्मेंट को प्रभावी ढंग से अवशोषित और क्षतिपूर्ति कर सकता है, जिससे कनेक्टेड शाफ्ट पर अतिरिक्त तनाव कम हो जाता है और पूरे ट्रांसमिशन सिस्टम की सेवा जीवन को बढ़ाने में मदद मिलती है। यह सुविधा उन उत्पादन उपकरणों के लिए विशेष रूप से महत्वपूर्ण है जिन्हें दीर्घकालिक निरंतर संचालन की आवश्यकता होती है।
इसके अलावा, एनएल टाइप नायलॉन गियर फ्लेक्सिबल कपलिंग की नायलॉन सामग्री में स्वाभाविक रूप से उत्कृष्ट शॉक अवशोषण और बफरिंग गुण होते हैं। उपकरण संचालन के दौरान, यह कंपन और झटके के प्रभाव को प्रभावी ढंग से कम कर सकता है, जिससे ट्रांसमिशन सिस्टम का सुचारू संचालन सुनिश्चित होता है। नतीजतन, लगातार कंपन के साथ गतिशील कामकाजी परिस्थितियों में, यह कई उद्यमों के लिए पसंदीदा शॉक-अवशोषित नायलॉन गियर कपलिंग समाधान बन गया है। संक्षारण प्रतिरोध के संदर्भ में, नायलॉन आस्तीन के उत्कृष्ट रासायनिक संक्षारण प्रतिरोध के अलावा, इस युग्मन के धातु घटकों को विशेष उपचार से गुजरना पड़ता है, जो आर्द्र, धूल भरे या थोड़े संक्षारक वातावरण में स्थिर संचालन को सक्षम बनाता है। पारंपरिक कठोर कपलिंग की तुलना में, यह कठोर कामकाजी परिस्थितियों में मजबूत अनुकूलनशीलता प्रदर्शित करता है, जो टिकाऊ नायलॉन गियर कपलिंग के लिए औद्योगिक क्षेत्र की आवश्यकताओं को पूरी तरह से पूरा करता है।
संचालन और रखरखाव के दृष्टिकोण से, एनएल टाइप नायलॉन गियर फ्लेक्सिबल कपलिंग एक रखरखाव-मुक्त डिज़ाइन को अपनाता है। यह बार-बार स्नेहक जोड़ने या समायोजन की आवश्यकता को समाप्त करता है, जो न केवल दैनिक रखरखाव के कार्यभार को कम करता है बल्कि अनुचित रखरखाव के कारण उपकरण विफलता के जोखिम को भी कम करता है। यह परिचालन लागत और डाउनटाइम को प्रभावी ढंग से नियंत्रित करता है, कम रखरखाव वाले लचीले गियर कपलिंग के लिए कुशल और कम खपत वाले उत्पादन का पीछा करने वाले उद्योगों के चयन मानदंडों के साथ पूरी तरह से संरेखित होता है। इस बीच, इसकी समग्र संरचना हल्की और कॉम्पैक्ट है, जो सरल और त्वरित स्थापना और डिस्सेप्लर की सुविधा प्रदान करती है। यहां तक कि सीमित स्थान वाले उपकरण लेआउट में भी, इस कॉम्पैक्ट नायलॉन गियर कपलिंग की असेंबली को आसानी से पूरा किया जा सकता है, जिससे उपकरण स्थापना और रखरखाव की दक्षता में और सुधार होगा।
संक्षेप में, एनएल टाइप नायलॉन गियर फ्लेक्सिबल कपलिंग को ट्रांसमिशन सिस्टम में एकीकृत करना उपकरण के लिए अधिक स्थिर और कुशल परिचालन समर्थन प्रदान करता है। विशेष रूप से सटीक विनिर्माण क्षेत्र में, जहां उच्च-परिशुद्धता ट्रांसमिशन की आवश्यकता होती है, यह उच्च-प्रदर्शन नायलॉन स्लीव गियर कपलिंग - अपने अनुकूलित डिजाइन के साथ - ट्रांसमिशन सटीकता, विश्वसनीयता और अनुकूलनशीलता की कई मांगों को पूरी तरह से पूरा करता है, जो उपकरण के समग्र प्रदर्शन को बढ़ाने में एक महत्वपूर्ण घटक के रूप में कार्य करता है।
एनएल टाइप नायलॉन गियर फ्लेक्सिबल कपलिंग उन सभी प्रकार के मैकेनिकल सेटअपों के लिए एक ट्रांसमिशन पार्ट के रूप में काम करता है, जिन्हें स्थिर पावर ट्रांसफर की आवश्यकता होती है। जो चीज इसे सबसे अलग बनाती है वह है नायलॉन स्लीव - यह कंपन को सोखने और छोटे शाफ्ट मिसलिग्न्मेंट को ठीक करने के लिए बिल्कुल सही झुकता है, इसलिए यह किसी भी गियर कपलिंग के उपयोग के लिए बिल्कुल सही है जहां आपको भागों के बहुत तेजी से खराब होने के बिना विश्वसनीय टॉर्क मूवमेंट की आवश्यकता होती है।
उदाहरण के लिए, औद्योगिक मशीनरी को लें। यह कपलिंग मोटरों को पंप या कंप्रेसर से जोड़ने के लिए बहुत अच्छा है। जब वे मशीनें चलती हैं, तो वे अक्सर सिस्टम के माध्यम से अचानक शॉक लोड भेजती हैं, लेकिन एनएल टाइप नायलॉन गियर फ्लेक्सिबल कपलिंग उस प्रभाव को कम कर देता है, जिससे पूरे सेटअप को लंबे समय तक चलने में मदद मिलती है। और कन्वेयर लाइनों पर - आप जानते हैं, जो कारखानों में सामग्री को बिना रुके ले जाती हैं - यह औद्योगिक नायलॉन स्लीव गियर कपलिंग लोड बदलने पर भी चीजों को सुचारू रखता है। पुराने कठोर कपलिंग के विपरीत, जो अक्सर टूट जाते हैं, यह डाउनटाइम और चीजों को ठीक करने में आपके द्वारा खर्च किए जाने वाले पैसे को कम कर देता है।
ऑटोमोटिव और परिवहन जगत भी इसका उपयोग करता है, विशेष रूप से ड्राइव शाफ्ट और स्टीयरिंग भागों के लिए। कारों और ट्रकों को चलते समय बहुत सारे घुमाव वाले कंपनों से निपटना पड़ता है, लेकिन ऑटोमोटिव ड्राइव के लिए यह लचीला गियर कपलिंग उन्हें सोख लेता है। यह न केवल वाहन को बेहतर चलाता है बल्कि सुरक्षित भी बनाता है - कोई अजीब झटके से स्टीयरिंग नहीं गिरती या ड्राइव ट्रेन खराब नहीं होती।
जब सीएनसी मशीनों या औद्योगिक रोबोटों जैसे सटीक गियर कपलिंग के उपयोग की बात आती है, तो यह कपलिंग वास्तव में चमकती है। वे मशीनें तेजी से घूमती हैं और उन्हें अत्यधिक सटीक गति की आवश्यकता होती है, लेकिन यहां तक कि छोटे शाफ्ट मिसलिग्न्मेंट (जैसे कोण या समानांतर शिफ्ट) भी चीजों को गड़बड़ कर सकते हैं। एनएल टाइप नायलॉन गियर फ्लेक्सिबल कपलिंग उच्च गति को बनाए रखते हुए उन समस्याओं को ठीक करता है। यही कारण है कि स्वचालित असेंबली लाइन बनाने वाली कई कंपनियां सटीक सीएनसी उपकरणों के लिए इस नायलॉन गियर कपलिंग की तलाश करती हैं, जब उन्हें कस्टम सेटअप की आवश्यकता होती है।
आप इसे एचवीएसी सिस्टम और जल उपचार संयंत्रों में भी पाएंगे। उन स्थानों पर पंखे और ब्लोअर का बहुत अधिक उपयोग होता है, और यदि वे हिस्से बहुत अधिक कंपन करते हैं, तो वे तेज़ हो जाते हैं और टूट जाते हैं। एचवीएसी प्रशंसकों के लिए यह कंपन-डैम्पिंग लचीला गियर कपलिंग शोर को कम रखता है और उपकरण स्थिर चलता है - हीटिंग / कूलिंग या जल उपचार प्रक्रियाओं में कोई अप्रत्याशित रुकावट नहीं होती है।
कुल मिलाकर, एनएल टाइप नायलॉन गियर फ्लेक्सिबल कपलिंग लगभग किसी भी उद्योग के लिए एक बजट-अनुकूल विकल्प है। यह कठिन है, स्थापित करना आसान है और काम पूरा हो जाता है। यदि आप एक विश्वसनीय औद्योगिक गियर कपलिंग आपूर्तिकर्ता की तलाश में हैं, तो रेडाफॉन आपको ऐसे कस्टम विकल्पों से जोड़ सकता है जो आपकी सटीक आवश्यकताओं के अनुरूप हों - ताकि आपको सर्वोत्तम प्रदर्शन और लंबे समय तक चलने वाला हिस्सा मिल सके।
⭐⭐⭐⭐⭐ वांग लेई, मैकेनिकल इंजीनियर, गुआंगज़ौ मशीनरी कंपनी लिमिटेड।
पिछले कुछ समय से हमारी असेंबली लाइनों पर रेडाफॉन का एनएल टाइप नायलॉन गियर फ्लेक्सिबल कपलिंग है, और यह हमारे द्वारा आज़माए गए कुछ अन्य कपलिंगों की तुलना में अधिक विश्वसनीय है। नायलॉन गियर डिज़ाइन यहां सबसे अलग है: यह टॉर्क को सुचारू रूप से चलाता है, कोई झटकेदार स्थानांतरण नहीं होता है, और यह कंपन को इतना कम कर देता है कि आप वास्तव में मशीनों के चलने के तरीके में अंतर बता सकते हैं।
इंस्टालेशन भी बिल्कुल आसान था। हमारे उपकरण में बहुत अधिक अतिरिक्त जगह नहीं है, लेकिन यह कपलिंग बॉक्स के ठीक बाहर बिल्कुल फिट बैठता है - कुछ भी संशोधित करने की आवश्यकता नहीं है। यह बिना रुके चल रहा है, और इसमें टूट-फूट का नामोनिशान नहीं है; उस स्थायित्व का मतलब है कि हम इसे ठीक करने या बदलने के लिए अक्सर उत्पादन बंद नहीं कर रहे हैं। कुल मिलाकर, यह एक ठोस, लागत प्रभावी चयन है जो बिल्कुल वही करता है जिसकी हमें आवश्यकता है।
⭐⭐⭐⭐⭐ जॉन स्मिथ, प्लांट मैनेजर, शिकागो इंडस्ट्रियल सॉल्यूशंस, यूएसए
हमने अपनी शिकागो सुविधा में अपने पुराने मेटल कपलिंग को रेडाफॉन के एनएल टाइप नायलॉन गियर वन से बदल दिया, और यह बदलाव रात-दिन चलता रहा- आप इसे उस पल महसूस कर सकते हैं जब हमने मशीनों को चालू किया। वह कंपन जो भागों को खड़खड़ा कर ढीला कर देता था? गया। पुराने कपलिंग से तेज़ आवाज़? इतना अधिक शांत हो जाने पर फर्श शांत महसूस होता है। और सत्ता हस्तांतरण? जब हम भारी भार उठा रहे हों तब भी जितना संभव हो उतना चिकना।
इसके अलावा, यह धातु की तुलना में गलत संरेखण को बेहतर तरीके से संभालता है - चीजों को ट्रैक पर रखने के लिए हर हफ्ते इसमें बदलाव नहीं करना पड़ता है। रेडाफॉन ने इसे हम तक भी तेजी से पहुंचाया; डिलीवरी समय पर सही थी, और गुणवत्ता शीर्ष पायदान पर थी - कोई सस्ता हिस्सा या घटिया काम नहीं। मैंने पहले ही कुछ अन्य संयंत्र प्रबंधकों को इसके बारे में बता दिया है; यह उस प्रकार का उत्पाद है जिसके बारे में आप बताना चाहते हैं।
⭐⭐⭐⭐⭐ अन्ना मुलर, रखरखाव पर्यवेक्षक, म्यूनिख इंजीनियरिंग, जर्मनी
हमने कुछ महीने पहले अपनी हाई-स्पीड मशीनरी में रेडाफॉन का एनएल टाइप कपलिंग लगाया था और यह हमारी टीम के लिए गेम-चेंजर रहा है। नायलॉन गियर सामग्री एक स्मार्ट कॉल है - यह धातु की तरह तेजी से खराब नहीं होती है, इसलिए हम अक्सर भागों को नहीं बदल रहे हैं, और यह बहुत शांत है। यह छोटा लग सकता है, लेकिन एक शांत दुकान का मतलब है टीम के लिए कम थकान, और जब हम उपकरण की जाँच कर रहे हों तो कम ध्यान भटकना।
यह इतनी लचीली है कि तेज़ गति से दौड़ने के साथ आने वाले मामूली बदलावों को संभाल सकती है, लेकिन फिर भी दबाव में टिकने के लिए पर्याप्त मजबूत है—कोई झुकने या टूटने की स्थिति में नहीं। स्थापना भी सरल थी; हमारे तकनीकी विशेषज्ञों ने इसे एक घंटे में स्थापित कर दिया, कोई जटिल निर्देश नहीं। इसे स्थापित करने के बाद से हमारे पास बहुत कम मशीन स्टॉपेज हैं, और सब कुछ सुचारू रूप से चलता है। Raydafon ने साबित कर दिया है कि वे एक ऐसे आपूर्तिकर्ता हैं जिन पर हम भरोसा कर सकते हैं - कोई आश्चर्य नहीं, बस अच्छे उत्पाद।
⭐⭐⭐⭐⭐ कार्लोस मार्टिनेज, संचालन निदेशक, मैड्रिड मैन्युफैक्चरिंग कॉर्प, स्पेन
रेडाफॉन का एनएल टाइप नायलॉन गियर फ्लेक्सिबल कपलिंग बिल्कुल उच्च गुणवत्ता वाला उत्पाद है जिसकी हम तलाश कर रहे थे। हमने कंपन को कम करने और दक्षता बढ़ाने की उम्मीद से इसे अपनी उत्पादन लाइन में जोड़ा - और इसने दोनों मामलों में काम किया, कोई सवाल नहीं पूछा गया। नायलॉन गियर चीजों को सुचारू रूप से चलाने के लिए इसे सही मात्रा में लचीलापन देता है, लेकिन यह ताकत का त्याग नहीं करता है - तब भी जब हम कड़ी समय सीमा को पूरा करने के लिए लाइन पर जोर दे रहे हों।
यह कॉम्पैक्ट भी है, जो हमारे सेटअप के लिए एक बड़ा प्लस है; हमारे पास बहुत अधिक अतिरिक्त जगह नहीं है, और यह कपलिंग अन्य भागों में भीड़ पैदा किए बिना बिल्कुल फिट बैठती है। हम इसे कई महीनों से उपयोग कर रहे हैं, और इसमें कोई समस्या नहीं है - कोई खराबी नहीं, कोई अजीब शोर नहीं, बस लगातार प्रदर्शन। उत्पाद और रायडाफॉन से मिली बेहतरीन सेवा के बीच, हम बहुत अधिक संतुष्ट हैं। यह एक रक्षक है.
पता
लुओटुओ औद्योगिक क्षेत्र, झेनहाई जिला, निंगबो शहर, चीन
टेलीफोन
ईमेल


+86-574-87168065


लुओटुओ औद्योगिक क्षेत्र, झेनहाई जिला, निंगबो शहर, चीन
कॉपीराइट © रेडाफॉन टेक्नोलॉजी ग्रुप कं, लिमिटेड सर्वाधिकार सुरक्षित।
Links | Sitemap | RSS | XML | Privacy Policy |
