क्यू आर संहिता
हमारे बारे में
उत्पादों
संपर्क करें


फैक्स
+86-574-87168065


पता
लुओटुओ औद्योगिक क्षेत्र, झेनहाई जिला, निंगबो शहर, चीन
पावर "रिले रेस": फ़ीड मिक्सर गियरबॉक्स पावर ट्रांसमिशन के लिए "रिले कैप्टन" की तरह है। मोटर चालू होने के बाद, बिजली को पहले गियरबॉक्स के इनपुट शाफ्ट में प्रेषित किया जाता है, और फिर बॉक्स में विभिन्न आकारों के गियर के समूह की मेशिंग के माध्यम से "गति परिवर्तन" प्राप्त किया जाता है। उदाहरण के लिए, यदि इनपुट शाफ्ट प्रति मिनट 1000 बार घूमता है, तो आउटपुट शाफ्ट गियर समूह ट्रांसमिशन के बाद केवल 100 बार घूम सकता है, लेकिन टॉर्क बहुत बढ़ जाता है। यह मजबूत शक्ति फिर मिक्सिंग शाफ्ट में संचारित की जाती है, जिससे मिक्सिंग ब्लेड फ़ीड को जल्दी से हिला सकते हैं, जिससे उच्च-फाइबर चारा जैसे "कठोर सामान" से आसानी से निपट सकते हैं।
सटीक मेशिंग, कम नुकसान: गियरबॉक्स में गियर का बेतरतीब ढंग से मिलान नहीं किया जाता है। रेडाफॉन द्वारा उत्पादित गियर में दांत का आकार होता है जिसकी सटीक गणना और प्रसंस्करण किया गया है, और जाल बनाते समय कसकर फिट होते हैं, जैसे पहेली के दो टुकड़े जो पूरी तरह से एक साथ फिट होते हैं। इस प्रकार, बिजली संचरण के दौरान बहुत कम घर्षण होता है, कम ऊर्जा हानि होती है, और अधिकांश बिजली का उपयोग मिश्रण के लिए किया जा सकता है। यह फ़ीड मिक्सर पर "ऊर्जा-बचत कोर" स्थापित करने जैसा है, जो ऊर्जा बर्बाद किए बिना काम को अधिक ऊर्जावान बनाता है।
जरूरतों को पूरा करने के लिए लचीला समायोजन: अलग-अलग फ़ीड और अलग-अलग मिश्रण मात्रा के लिए अलग-अलग गति की आवश्यकता होती है। फ़ीड मिक्सर गियरबॉक्स की खूबी यह है कि इसे लचीले ढंग से समायोजित किया जा सकता है। गियर सेट के संयोजन को बदलकर, विभिन्न आवश्यकताओं को पूरा करने के लिए विभिन्न गति अनुपात प्राप्त किए जा सकते हैं। यदि आप साइलेज को मिलाना चाहते हैं और जल्दी से ध्यान केंद्रित करना चाहते हैं, तो गति बढ़ाएँ; यदि आप नाजुक कच्चे माल को संभालना चाहते हैं, तो गति कम करें और धीरे-धीरे मिलाएं, और एक गियरबॉक्स यह सब कर सकता है।
स्थिर समर्थन और स्थायित्व: गियरबॉक्स बॉडी संपूर्ण ट्रांसमिशन सिस्टम के "अभिभावक" के बराबर है। उच्च शक्ति वाला कच्चा लोहा सामग्री, मजबूत और शॉक-प्रतिरोधी, आंतरिक गियर और बीयरिंग को मजबूती से समर्थन दे सकता है। सुचारू घुमाव और कम घिसाव के लिए आंतरिक बीयरिंगों को विशेष रूप से चिकनाई दी जाती है। भले ही फ़ीड मिश्रण के दौरान कंपन उत्पन्न हो, गियरबॉक्स गियर के स्थिर जुड़ाव को सुनिश्चित कर सकता है, लगातार स्थिर बिजली का उत्पादन कर सकता है और समग्र सेवा जीवन का विस्तार कर सकता है।
Raydafon की उत्पाद उत्पादन प्रक्रिया का कड़ाई से परीक्षण किया गया है और वास्तविक स्थापना के बाद इसे पूरी तरह से चालू किया जा सकता है। हमारे उत्पादों को चुनने का मतलब है कि आपने मानसिक शांति को चुना है।
| अनुपात | इनपुट आर.पी.एम |
इनपुट शक्ति | उत्पादन | नमूना | टिप्पणियाँ | |
| किलोवाट | हिमाचल प्रदेश | एनएम | ||||
| 16.1:1 | 540 | 44.7 | 60 | 11600 | जी1-0314 |
|
| 19.4:1 | 540 | 26.1 | 35 | 8600 | जी1-0514 |
|
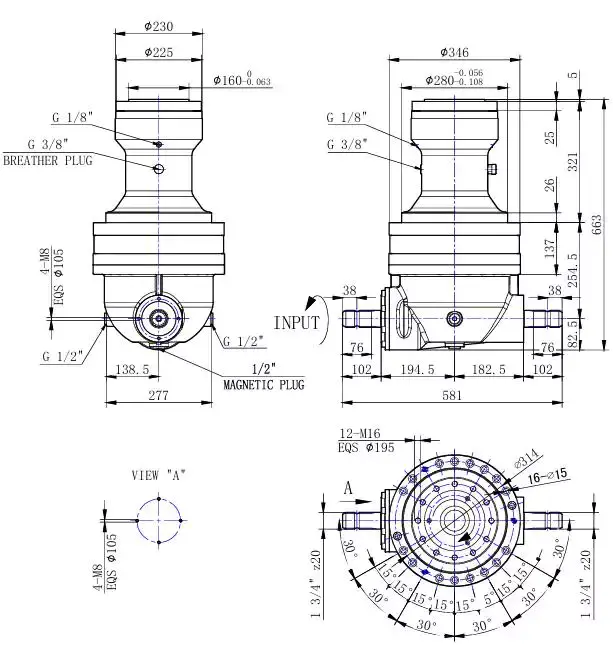
| संख्या | A | B | C | D | E | F | G | H | 1 | J | K | L | M | N | ||||||||||||||||||
| 1 | ⌀200 h7 | ⌀278 | 12-एम16 ईक्यूएस⌀245 | 15 | 25 | ⌀280 एफ7 | ⌀380 | 12-एम16 |
|
26 | 30 | 353 | 300 | 785 | ||||||||||||||||||
| 2 | ⌀200 h7 | ⌀278 | 12-एम16 ईक्यूएस⌀245 | 15 | 25 | ⌀280 एफ7 | ⌀380 | 12-एम16 |
|
26 | 30 | 353 | 402.5 | 857.5 | ||||||||||||||||||
| 3 | ⌀278 घंटे8 | ⌀345 | 15-एम16 ईक्यूएस⌀314 | 8 | 25 | ⌀348 h8 | ⌀385 | 12-⌀17 | 2-एम18 | 10.5 | 29 | 351 | 321.5 | 774.5 | ||||||||||||||||||
| 4 | ⌀278 घंटे8 | ⌀345 | 15-एम16 ईक्यूएस⌀314 | 8 | 25 | ⌀348 h8 | ⌀385 | 12-⌀17 | 2-एम18 | 10.5 | 29 | 351 | 394 | 847 | ||||||||||||||||||
| 5 | ⌀154.8 घंटे8 | ⌀250 | 12-एम20*1.5 ईक्यूएस⌀205 | 12 | 39 | ⌀348 h8 | ⌀385 | 12-⌀17 | 2-एम18 | 10.5 | 29 | 354.5 | 321.5 | 778 | ||||||||||||||||||
| अनुपात | lnपुट आर.पी.एम |
इनपुट शक्ति | उत्पादन एनएम |
इनपुट दस्ता | टिप्पणियाँ | |||||||||||||||||||||||||||
| किलोवाट | हिमाचल प्रदेश | |||||||||||||||||||||||||||||||
| 13.4:1 | 540 | 85.8 | 115 | 17984 | X |
|
||||||||||||||||||||||||||
| 14.6:1 | 540 | 70.8 | 95 | 16187 | X |
|
||||||||||||||||||||||||||
| 16.1:1 | 540 | 63.4 | 85 | 15971 | X |
|
||||||||||||||||||||||||||
| 18.2:1 | 540 | 44.7 | 60 | 12744 | X |
|
||||||||||||||||||||||||||
| 21.1:1 | 540 | 37.3 | 50 | 12312 | X |
|
||||||||||||||||||||||||||
| 25.9:1 | 1000 | 82 | 110 | 17954 | X |
|
||||||||||||||||||||||||||
| 28.3:1 | 1000 | 67.1 | 90 | 16051 | X |
|
||||||||||||||||||||||||||
स्टील "बॉडी" अत्यधिक टिकाऊ है: यह गियरबॉक्स गाढ़े उच्च शक्ति वाले कच्चे लोहे से बना है, और पूरा बॉक्स एक टैंक खोल जितना मजबूत है। चाहे वह साइलेज मिलाते समय आर्द्र वातावरण हो या गोलीयुक्त चारे को संभालने के कारण होने वाला हिंसक कंपन हो, यह लगातार इसका सामना कर सकता है। आंतरिक गियर को कार्बोराइज्ड और बुझाया जाता है, और दांत की सतह की कठोरता HRC58 जितनी अधिक होती है। पहनने का प्रतिरोध सामान्य गियर की तुलना में 3 गुना अधिक मजबूत है। धूल भरे और भारी भार वाले खेतों में इसका उपयोग लगातार पांच या छह वर्षों से किया जा रहा है, और प्रदर्शन अभी भी "ऑनलाइन" है, और मरम्मत की संख्या बहुत कम है।
पावर ट्रांसमिशन "शून्य अपशिष्ट": डिज़ाइन सरलता से भरा है! गियर मेशिंग सटीकता बालों के स्तर तक पहुंचती है, और पावर ट्रांसमिशन दक्षता 95% से अधिक हो जाती है। अन्य गियरबॉक्स में मिश्रण के दौरान बहुत अधिक शक्ति "फिसल जाती" हो सकती है, लेकिन टीएमआर मिक्सर ईपी आरएमजी के लिए हमारा फ़ीड मिक्सर गियरबॉक्स ब्लेड पर मोटर की सारी शक्ति का उपयोग कर सकता है। 5 टन फ़ीड के समान मिश्रण के लिए, हमारे गियरबॉक्स का उपयोग 15 मिनट तेज हो सकता है और 20% बिजली बिल बचा सकता है, जिससे किसानों का वास्तविक पैसा बच सकता है।
"सार्वभौमिक अनुकूलनशीलता" अत्यधिक चिंता-मुक्त है: चाहे वह छोटे खेत में एक साधारण मिक्सर हो या बड़े फ़ीड कारखाने में एक विशाल उपकरण हो, इस गियरबॉक्स को निर्बाध रूप से जोड़ा जा सकता है। गति अनुपात को 2:1 से 15:1 तक स्वतंत्र रूप से समायोजित किया जा सकता है, और रूघेज, सांद्रण फ़ीड और मिश्रित फ़ीड को आप जैसे चाहें मिश्रित किया जा सकता है। इंस्टालेशन भी आसान है, और उपकरण में बड़े बदलाव करने की कोई आवश्यकता नहीं है। सामान्य श्रमिक इसे निर्देशों के अनुसार आधे घंटे में पूरा कर सकते हैं, जो विशेष रूप से उन किसानों के लिए उपयुक्त है जो जल्दी में हैं। "बुद्धिमान सुरक्षा" अत्यधिक विचारशील है: गियरबॉक्स में एक अंतर्निहित अधिभार सुरक्षा उपकरण है। एक बार जब मिक्सिंग लोड बहुत बड़ा हो जाता है, तो गियर को नुकसान से बचाने के लिए यह स्वचालित रूप से "बंद" हो जाएगा, जो न केवल मशीन की सुरक्षा करता है बल्कि सुरक्षा दुर्घटनाओं को भी रोकता है। इसके अलावा, संरचनात्मक डिजाइन उचित है। आप बॉक्स खोलकर बेयरिंग बदल सकते हैं या गियर की मरम्मत कर सकते हैं। यह "रूसी गुड़िया" को नष्ट करने जितना परेशानी भरा नहीं है। डाउनटाइम और रखरखाव का समय बहुत कम कर दिया गया है, जिससे यह सुनिश्चित हो गया है कि कृषि उत्पादन बंद न हो।
एक विदेशी ग्राहक के रूप में, मैं वास्तव में रायडफ़ोन को धन्यवाद कहना चाहता हूँ! आपके फ़ीड मिक्सर गियरबॉक्स का उपयोग करना वास्तव में आसान है। जब से इसे स्थापित किया गया है, उपकरण बहुत सुचारू रूप से चल रहा है, और कार्य कुशलता पहले की तुलना में बहुत अधिक है। गियरबॉक्स ठोस और टिकाऊ सामग्री से बना है, और इसे स्थापित करना और रखरखाव करना आसान है। इसने हमारे पिछले उपकरणों पर मौजूद पुरानी समस्याओं का समाधान कर दिया है। मुझे विशेष रूप से बिक्री-पश्चात सेवा की प्रशंसा करनी होगी। इसका उपयोग करते समय हमें कुछ छोटे-छोटे प्रश्नों का सामना करना पड़ा और आपने तुरंत इसका समाधान निकाल लिया। यह बहुत विश्वसनीय है. यह सहयोग अनुभव वास्तव में अच्छा है। मैंने अपने साथियों को आपके उत्पादों की अनुशंसा की है, और मैं भविष्य में भी सहयोग जारी रखने की आशा करता हूँ! -----जेम्स कार्टर
अरे, मैं डेविड जॉनसन हूं, रायडाफॉन का ग्राहक। मैंने आपका फ़ीड मिक्सर गियरबॉक्स पहले खरीदा था, और इसका उपयोग करना वास्तव में बहुत अच्छा है! इस गियरबॉक्स को स्थापित करने के बाद, हमारा फ़ीड मिक्सर पहले की तुलना में अधिक सुचारू रूप से चलता है, और दक्षता में सुधार हुआ है। मैं उपकरण जाम होने के बारे में चिंतित रहता था, लेकिन अब मुझे इसके बारे में बिल्कुल भी चिंता करने की ज़रूरत नहीं है। जो बात मुझे सबसे अधिक सार्थक लगती है वह यह है कि यह बहुत टिकाऊ है, सामग्री ठोस लगती है, और इसे दैनिक आधार पर बनाए रखने में कोई परेशानी नहीं होती है। बस कुछ पेंच कसें और तेल के स्तर की जांच करें, पिछले उपकरणों के विपरीत जिन्हें हर कुछ दिनों में उछालना पड़ता है। पिछली बार यहां परिचालन करते समय मेरे कुछ छोटे-छोटे प्रश्न थे, मैंने आपकी बिक्री-पश्चात सेवा को एक ईमेल भेजा था और उसी दिन उत्तर प्राप्त हुआ था। इंजीनियर ने मुझे इसे समायोजित करने का तरीका सिखाने के लिए एक योजनाबद्ध आरेख भी बनाया। यह सेवा बहुत बढ़िया है! सच कहूँ तो, जब मैं साथ में डिनर करता हूँ तो मैं अक्सर अपने सहकर्मियों के साथ आपके उत्पादों के बारे में बात करता हूँ। अच्छी बातें ज्यादा लोगों को पता होनी चाहिए. मुझे आशा है कि मैं भविष्य में भी आपके साथ सहयोग करता रहूंगा और कामना करता हूं कि आपका व्यवसाय और अधिक लोकप्रिय हो जाए!
मेरा नाम माइकल ब्राउन है. जब मैंने पहली बार आपका फ़ीड मिक्सर गियरबॉक्स खरीदा तो मैं थोड़ा झिझक रहा था, आखिरकार, मुझे पहले अन्य उत्पादों द्वारा धोखा दिया गया था, लेकिन लगभग आधे साल तक इसका उपयोग करने के बाद, मैं वास्तव में इसे एक अंगूठा देता हूं! इस गियरबॉक्स का शोर पहले की तुलना में काफी कम है। पहले, जब इसे चालू किया जाता था तो यह गड़गड़ाहट की तरह होता था, लेकिन अब मुझे कार्यशाला में बात करते समय चिल्लाने की ज़रूरत नहीं है। सबसे आश्चर्यजनक बात है कार्यकुशलता. फ़ीड के एक बैच को मिलाने में 40 मिनट लगते थे, लेकिन अब यह काम 25 मिनट में किया जा सकता है और कन्वेयर बेल्ट ने भी अपनी गति बढ़ा दी है। पिछले सप्ताह, गियरबॉक्स की संकेतक लाइट दो बार चमकी। मुझे आश्चर्य हुआ कि क्या कोई समस्या है, इसलिए मैंने आपकी बिक्री-पश्चात सेवा को कॉल किया। जिस लड़की ने फोन का जवाब दिया वह बहुत धैर्यवान थी। उसने मुझे कुछ तस्वीरें लेने दीं और मुझे मौके पर ही सेंसर से धूल साफ करने के लिए निर्देशित किया। इसमें 10 मिनट से ज्यादा का समय नहीं लगा. गियरबॉक्स ठोस सामग्री से बना है. बाहरी आवरण भारी लगता है। पिछली बार, एक फोर्कलिफ्ट ने गलती से इसे रगड़ दिया, जिससे थोड़ा सा निशान पड़ गया, लेकिन अंदर के हिस्से प्रभावित नहीं हुए। जब मैं बगल के किसान के साथ शराब पी रहा था तो मैं आपके उत्पादों के बारे में बात करता रहा। वह अगले महीने एक ऑर्डर करने की भी योजना बना रहा है! मैं भविष्य में आपके नए सहायक उपकरण आज़माने के लिए उत्सुक हूं, और मैं कामना करता हूं कि आप और अधिक मजबूत बनें!
पता
लुओटुओ औद्योगिक क्षेत्र, झेनहाई जिला, निंगबो शहर, चीन
टेलीफोन
ईमेल


+86-574-87168065


लुओटुओ औद्योगिक क्षेत्र, झेनहाई जिला, निंगबो शहर, चीन
कॉपीराइट © रेडाफॉन टेक्नोलॉजी ग्रुप कं, लिमिटेड सर्वाधिकार सुरक्षित।
Links | Sitemap | RSS | XML | Privacy Policy |
