क्यू आर संहिता
हमारे बारे में
उत्पादों
संपर्क करें


फैक्स
+86-574-87168065


पता
लुओटुओ औद्योगिक क्षेत्र, झेनहाई जिला, निंगबो शहर, चीन
रेडाफॉन का एसडब्ल्यूसी-बीएफ स्टैंडर्ड फ्लेक्स फ्लैंज टाइप यूनिवर्सल कपलिंग भारी मशीनरी में टॉर्क को विश्वसनीय रूप से स्थानांतरित करने के लिए बनाया गया है - रोलिंग मिल्स, पेपर बनाने वाले उपकरण, औद्योगिक ड्राइव, सभी सेटअपों के बारे में सोचें जिन्हें कठिन प्रदर्शन की आवश्यकता होती है। इसमें एक लचीली निकला हुआ किनारा डिजाइन है, जिसमें घुमाव व्यास 180 मिमी से 620 मिमी तक है, और यह मानक फ्लेक्स सार्वभौमिक युग्मन 15 डिग्री तक कोणीय मिसलिग्न्मेंट और 1250 kN·m तक के टॉर्क को संभालता है। कठिन कार्य वातावरण में भी, यह स्थिर रूप से चलता रहता है, कोई गिरावट नहीं होती। हम इसे उच्च शक्ति वाले 35CrMo स्टील और सटीक सुई बीयरिंग के साथ बनाते हैं, इसलिए यह औद्योगिक मशीनरी के लिए सार्वभौमिक कपलिंग और भारी उपकरणों के लिए फ्लेक्स निकला हुआ किनारा कपलिंग के रूप में बिल्कुल सही है - बिजली को दृढ़ता से स्थानांतरित करता है, और आप शायद ही किसी कंपन को नोटिस करते हैं।
चीन में हमारा विनिर्माण ISO 9001 मानकों का पालन करता है, इसलिए SWC-BF यूनिवर्सल कपलिंग लंबे समय तक चलती है और जंग का प्रतिरोध करती है - यह सब इसके क्रोम-प्लेटेड क्रॉस शाफ्ट के लिए धन्यवाद है। निकला हुआ किनारा कनेक्शन स्थापना को आसान बनाता है, जो धातु विज्ञान, खनन और जहाज निर्माण जैसे क्षेत्रों में एक बड़ी मदद है - जहां आपको मध्यम अक्षीय लचीलेपन की आवश्यकता होती है। हम इसके आकार और टॉर्क रेटिंग को भी अनुकूलित कर सकते हैं, इसलिए यह टिकाऊ फ्लेक्स यूनिवर्सल कपलिंग रोलिंग मिलों और अन्य औद्योगिक जरूरतों के लिए कस्टम यूनिवर्सल कपलिंग के रूप में बहुत अच्छा काम करता है। और कीमत प्रतिस्पर्धी है, कोई ओवरचार्जिंग नहीं है। रेडाफॉन की जानकारी का मतलब है कि आप रखरखाव पर कम समय खर्च करेंगे, और आपके उपकरण अधिक विश्वसनीय रहेंगे - जिस पर दुनिया भर के ऑपरेटर भरोसा कर सकते हैं।
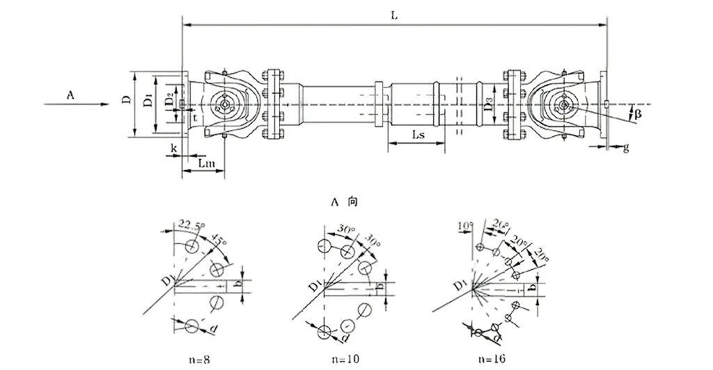
| नहीं। | परिभ्रमण व्यास डी मिमी | नाममात्र का टॉर्क तमिलनाडु केएन·एम | अक्षों का मोड़ कोण β (°) | थका हुआ टॉर्क टी.एफ केएन·एम | फ्लेक्स मात्रा एलएस मिमी | आकार (मिमी) | घूमती हुई जड़ता किग्रा.एम2 | वजन (किलो) | |||||||||||
| लमिन | डी1 (जेएस11) | डी2 (H7) | डी3 | एलएम | रा | k | t | b (एच9) | g | लमिन | बढ़ोतरी 100 मिमी | लमिन | बढ़ोतरी 100 मिमी | ||||||
| SWC180BF | 180 | 12.5 | 6.3 | ≤25 | 100 | 810 | 155 | 105 | 114 | 110 | 8-17 | 17 | 5 | -1.455 | - | 0.27 | 0.0070 | 80 | 2.8 |
| SWC225BF | 225 | 40 | 20 | ≤15 | 140 | 920 | 196 | 135 | 152 | 120 | 8-17 | 20 | 5 | 32 | 9 | 0.79 | 0.0234 | 138 | 4.9 |
| SWC250BF | 250 | 63 | 31.5 | 1035 | 218 | 150 | 168 | 140 | 8-19 | 25 | 6 | 40 | 12.5 | 1.46 | 0.0277 | 196 | 5.3 | ||
| SWC285BF | 285 | 90 | 45 | 1190 | 245 | 170 | 194 | 160 | 8-21 | 27 | 7 | 40 | 15 | 2.87 | 0.0510 | 295 | 6.3 | ||
| SWC315BF | 315 | 125 | 63 | 1315 | 280 | 185 | 219 | 180 | 10-23 | 32 | 8 | 40 | 15 | 5.09 | 0.0795 | 428 | 8.0 | ||
| SWC350BF | 350 | 180 | 90 | 150 | 1410 | 310 | 210 | 267 | 194 | 10-23 | 35 | 8 | 50 | 16 | 9.20 | 0.2219 | 632 | 15.0 | |
| SWC390BF | 390 | 250 | 125 | 170 | 1590 | 345 | 235 | 267 | 215 | 10-25 | 40 | 8 | 70 | 18 | 16.62 | 0.2219 | 817 | 15.0 | |
| SWC440BF | 440 | 355 | 180 | 190 | 1875 | 390 | 255 | 325 | 260 | 16-28 | 42 | 10 | 80 | 20 | 28.24 | 0.4744 | 1290 | 21.7 | |
| SWC490BF | 490 | 500 | 250 | 190 | 1985 | 435 | 275 | 325 | 270 | 16-31 | 47 | 12 | 90 | 22.5 | 46.33 | 0.4744 | 1631 | 21.7 | |
| SWC550BF | 550 | 710 | 355 | 240 | 2300 | 492 | 320 | 426 | 305 | 16-31 | 50 | 12 | 100 | 22.5 | 86.98 | 1.3570 | 2567 | 34.0 | |
| SWC620BF | 620 | 1000 | 500 | 240 | 2500 | 555 | 380 | 426 | 340 | 10-38 | 55 | 12 | 100 | 25 | 147.50 | 1.3570 | 3267 | 34.0 | |
यूनिवर्सल कपलिंग - जिसे यूनिवर्सल जॉइंट कपलिंग भी कहा जाता है - यांत्रिक भाग हैं जो दो शाफ्टों के बीच टॉर्क और घूर्णी गति को स्थानांतरित करते हैं जो पूरी तरह से लाइन में नहीं हो सकते हैं। वे विभिन्न औद्योगिक उपयोगों में बिजली हस्तांतरण को कुशल बनाए रखते हुए, कोणीय, अक्षीय और रेडियल मिसलिग्न्मेंट को संभालते हैं। रेडाफॉन में, हमारी एसडब्ल्यूसी कार्डन शाफ्ट यूनिवर्सल ज्वाइंट कपलिंग श्रृंखला यहां शीर्ष पायदान इंजीनियरिंग का एक प्रमुख उदाहरण है, जो रोलिंग मिलों और उत्थापन मशीनरी जैसे भारी-शुल्क वाले स्थानों के लिए बनाए गए उच्च-टोक़ यूनिवर्सल ज्वाइंट कपलिंग समाधान पेश करती है।
आइए सार्वभौमिक संयुक्त कपलिंग के मुख्य प्रकारों को तोड़ें:
सबसे पहले सिंगल यूनिवर्सल जॉइंट है। इसमें दो योक को जोड़ने वाली एक क्रॉस-आकार की धुरी है, जिससे शाफ्ट को 45 डिग्री तक कोणीय मिसलिग्न्मेंट मिलता है। यह मध्यम ऑफसेट वाले सेटअप के लिए अच्छा काम करता है, हालांकि इससे वेग में बदलाव हो सकता है। रोलिंग मिल संचालन के लिए रेडाफॉन का विश्वसनीय हेवी-ड्यूटी यूनिवर्सल संयुक्त युग्मन अक्सर कॉम्पैक्ट बिल्ड में एकल संयुक्त डिजाइन का उपयोग करता है, इसलिए यह भारी भार के तहत भी अच्छा रहता है।
फिर डबल यूनिवर्सल जॉइंट है। इसमें दो एकल जोड़ एक साथ जुड़े हुए हैं, जो बड़े गलत संरेखण को संभालते हैं और ट्रांसमिशन वेग को लगभग स्थिर रखते हैं - मुश्किल शाफ्ट सेटअप के लिए बिल्कुल सही। जब आपको उठाने और सामग्री संभालने वाले उपकरणों में टिकाऊ एसडब्ल्यूसी यूनिवर्सल ज्वाइंट शाफ्ट कपलिंग की आवश्यकता होती है, तो रेडाफॉन के डबल ज्वाइंट मॉडल स्थिरता को बढ़ावा देते हैं और उच्च तनाव वाले औद्योगिक यूनिवर्सल ज्वाइंट कपलिंग सिस्टम में कंपन को कम करते हैं।
अगला टेलीस्कोपिक या एक्सपेंडेबल यूनिवर्सल जॉइंट है। इसमें स्प्लिन या स्लाइडिंग हिस्से होते हैं जो आपको गलत संरेखण की भरपाई करते हुए लंबाई को समायोजित करने देते हैं, जो गतिशील सेटअप में अक्षीय आंदोलनों के लिए काम करता है। रेडाफॉन के एसडब्ल्यूसी हेवी-ड्यूटी यूनिवर्सल ज्वाइंट कपलिंग में टेलीस्कोपिक विकल्प शामिल हैं - वे खदानों या निर्माण स्थलों जैसी जगहों पर बड़े पावर ट्रांसमिशन के लिए एक कुशल यूनिवर्सल ज्वाइंट कपलिंग के रूप में कार्य करते हैं, जहां आपको शाफ्ट की लंबाई में लचीलेपन की आवश्यकता होती है।
सॉलिड, बोरेड या स्प्लिंड हब प्रकार भी हैं। ये इस बात से भिन्न होते हैं कि वे कैसे जुड़ते हैं: ठोस हब में कोई छेद नहीं होता है, ऊबड़-खाबड़ हब में गोल, हेक्स या चौकोर उद्घाटन होते हैं, और स्प्लिंड हब में कसकर फिट होने के लिए खांचे होते हैं। ऊर्जा की बचत करने वाले यूनिवर्सल ज्वाइंट कपलिंग समाधानों के लिए, रेडाफॉन हमारे कम-शोर वाले यूनिवर्सल ज्वाइंट कपलिंग लाइनअप में स्प्लिंड डिज़ाइन प्रदान करता है - वे टॉर्क डिलीवरी को अनुकूलित करते हैं और संवेदनशील औद्योगिक स्थानों में शोर को 30-40 डीबी (ए) तक कम रखते हैं।
एसडब्ल्यूसी श्रृंखला सहित, रेडाफॉन के सार्वभौमिक संयुक्त कपलिंग, एकीकृत फोर्क हेड डिजाइन के साथ बनाए गए हैं - अब बोल्ट से संबंधित कोई समस्या नहीं है, जो 30% -50% तक ताकत बढ़ाती है और ट्रांसमिशन क्षमता को 98.6% तक बढ़ाती है। ये विशेषताएं हमारे उत्पादों को उन पेशेवरों के लिए शीर्ष पसंद बनाती हैं जिन्हें अनुकूलित, उच्च-प्रदर्शन समाधान की आवश्यकता होती है।
यूनिवर्सल कपलिंग-रेडाफॉन के एसडब्ल्यूसी कार्डन शाफ्ट यूनिवर्सल ज्वाइंट कपलिंग को एक प्रमुख उदाहरण के रूप में लें-औद्योगिक ट्रांसमिशन सिस्टम के लिए बड़े लाभ लाते हैं। वे सभी प्रकार के विचलनों को संभालते हुए, असंरेखित शाफ्टों के बीच टॉर्क को प्रभावी ढंग से स्थानांतरित करते हैं, और वे कठिन वातावरण में संचालन को सुचारू रूप से चलाने के लिए जरूरी हैं - जैसे कि उच्च-टॉर्क सार्वभौमिक संयुक्त युग्मन समाधान की आवश्यकता होती है।
आइए उनके मुख्य लाभों पर गौर करें: सबसे पहले, वे गलत संरेखण की भरपाई करने में महान हैं। यूनिवर्सल कपलिंग 25 डिग्री तक कोणीय, अक्षीय और रेडियल मिसलिग्न्मेंट को संभालते हैं, जो उन्हें रोलिंग मिल संचालन के लिए एक विश्वसनीय हेवी-ड्यूटी यूनिवर्सल संयुक्त युग्मन बनाता है। वे बहुत अधिक यांत्रिक तनाव या कंपन डाले बिना ऐसा करते हैं, ताकि आपकी मशीनरी सुरक्षित रहे।
फिर उनका कठिन स्थायित्व और लंबी सेवा जीवन है। हम इन कपलिंगों को एकीकृत फोर्क हेड डिज़ाइन और उच्च-शक्ति सामग्री के साथ बनाते हैं, जो बोल्ट के ढीले होने या टूटने जैसे जोखिमों को कम करता है - संरचनात्मक अखंडता को 30% -50% तक बढ़ाता है। यही कारण है कि उठाने और सामग्री संभालने वाले उपकरणों में टिकाऊ एसडब्ल्यूसी सार्वभौमिक संयुक्त शाफ्ट युग्मन कठोर परिस्थितियों में लंबे समय तक इतनी अच्छी तरह से काम करता है; यह काफी हद तक पारंपरिक मॉडलों से भी बेहतर है।
उनके पास उच्चतम भार-वहन और टॉर्क क्षमता भी है। भारी वजन रखने और 0.15 से 1000 kN·m तक नाममात्र टॉर्क संचारित करने के लिए इंजीनियर किया गया, औद्योगिक सार्वभौमिक संयुक्त युग्मन भारी मशीनरी सार्वभौमिक संयुक्त युग्मन प्रणालियों में चमकता है। इन सेटअपों में, अत्यधिक भार के तहत लगातार प्रदर्शन मेक-या-ब्रेक होता है, और यह युग्मन हर बार प्रदान करता है।
जब बिजली पारेषण दक्षता की बात आती है, तो उन्हें हराना मुश्किल होता है। 98.6% तक दक्षता हासिल करने वाला, एसडब्ल्यूसी हेवी-ड्यूटी यूनिवर्सल जॉइंट कपलिंग ऊर्जा हानि को कम रखता है। यह इसे उच्च-शक्ति औद्योगिक अनुप्रयोगों में बड़े पावर ट्रांसमिशन के लिए एक कुशल सार्वभौमिक संयुक्त युग्मन बनाता है, और समय के साथ, यह दक्षता वास्तविक लागत बचत में जुड़ जाती है।
अंतिम लेकिन महत्वपूर्ण बात, वे ऊर्जा बचाते हैं और चुपचाप चलते हैं। ऊर्जा-बचत करने वाले सार्वभौमिक संयुक्त युग्मन समाधान के रूप में, वे बिजली के उपयोग में कटौती करते हैं, और वे केवल 30-40 डीबी (ए) पर काम करते हैं। यह कम शोर वाला सार्वभौमिक संयुक्त युग्मन औद्योगिक स्थानों के लिए बिल्कुल सही है जहां शोर एक चिंता का विषय है - आपको ज़ोरदार ऑपरेशन के बिना सभी विश्वसनीयता मिलती है जो आपको चाहिए।
यूनिवर्सल कपलिंग - ज्यादातर लोग उन्हें यूनिवर्सल जॉइंट कपलिंग कहते हैं - एक सरल लेकिन प्रभावी यांत्रिक विचार पर काम करते हैं: वे दो शाफ्टों के बीच टॉर्क और घूर्णी गति को स्थानांतरित करते हैं जो पूरी तरह से लाइन में नहीं होते हैं, बिना किसी रुकावट के कोणीय, अक्षीय और रेडियल मिसलिग्न्मेंट को संभालते हैं। उदाहरण के लिए, रेडाफॉन के एसडब्ल्यूसी कार्डन शाफ्ट यूनिवर्सल ज्वाइंट कपलिंग को लें - यह इस सिद्धांत का एक शानदार प्रदर्शन है। यह प्रत्येक शाफ्ट पर योक को जोड़ने के लिए एक क्रॉस-आकार की धुरी (हम अक्सर इसे मकड़ी कहते हैं) का उपयोग करता है, ताकि व्यस्त औद्योगिक सेटअप में भी बिजली आसानी से स्थानांतरित हो सके।
यह कैसे काम करता है इसका मूल बिंदु क्रॉस पिवट है: यह योक को स्वतंत्र रूप से घूमने देता है, जो टॉर्क डिलीवरी को लगातार बनाए रखते हुए शाफ्ट को 25 डिग्री तक झुका देता है। यह हाई-टॉर्क यूनिवर्सल जॉइंट कपलिंग घूर्णी गति में बदलाव को भी न्यूनतम रखता है - खासकर जब यह एक डबल जॉइंट डिज़ाइन होता है - इसलिए यह उन नौकरियों के लिए एकदम सही है, जिन्हें रोलिंग मिल संचालन के लिए विश्वसनीय हेवी-ड्यूटी यूनिवर्सल जॉइंट कपलिंग की आवश्यकता होती है। और रेडाफॉन की एसडब्ल्यूसी श्रृंखला के साथ, हमने इस तंत्र को और भी बेहतर बनाने के लिए एक एकीकृत फोर्क हेड डिजाइन जोड़ा है: यह बोल्ट के ढीले होने जैसी समस्याओं से छुटकारा दिलाता है, संरचनात्मक ताकत को 30% -50% तक बढ़ाता है, और इसे उच्च तनाव वाले स्थानों में लंबे समय तक चलने में मदद करता है।
यह सिद्धांत महान भार-वहन क्षमता का भी समर्थन करता है। युग्मन 0.15 से 1000 kN·m तक नाममात्र टॉर्क को संभालता है, φ58 और φ620 के बीच घुमाव व्यास के साथ - यही कारण है कि उठाने और सामग्री हैंडलिंग उपकरण में टिकाऊ एसडब्ल्यूसी सार्वभौमिक संयुक्त शाफ्ट युग्मन कठिन संचालन के लिए एक ठोस विकल्प है। साथ ही, औद्योगिक यूनिवर्सल ज्वाइंट कपलिंग 98.6% ट्रांसमिशन दक्षता तक पहुंच जाती है, जिससे भारी मशीनरी यूनिवर्सल ज्वाइंट कपलिंग सिस्टम में ऊर्जा के उपयोग में कमी आती है।
इसके अलावा, रेडाफॉन के एसडब्ल्यूसी हेवी-ड्यूटी यूनिवर्सल ज्वाइंट कपलिंग में ऐसी विशेषताएं हैं जो सुचारू संचालन पर सिद्धांत के फोकस से मेल खाती हैं: यह ट्रांसमिशन को स्थिर रखता है, और शोर 30-40 डीबी (ए) के बीच रहता है। यह इसे बड़े पावर ट्रांसमिशन के लिए एक कुशल सार्वभौमिक संयुक्त युग्मन और उच्च-शक्ति औद्योगिक सेटअप के लिए एक शीर्ष ऊर्जा-बचत सार्वभौमिक संयुक्त युग्मन समाधान बनाता है। कुल मिलाकर, यह कम शोर वाला सार्वभौमिक संयुक्त युग्मन चीजों को शांत रखता है, इसलिए यह उन जगहों पर बहुत अच्छा काम करता है जहां शोर एक चिंता का विषय है - विश्वसनीयता से समझौता किए बिना।
⭐⭐⭐⭐⭐ ली जून, वरिष्ठ अभियंता, जियांग्सू पावर इक्विपमेंट कंपनी लिमिटेड।
हम पिछले कुछ महीनों से Raydafon के SWC-BF स्टैंडर्ड फ्लेक्स फ्लैंज टाइप यूनिवर्सल कपलिंग का उपयोग कर रहे हैं, और यह बहुत अच्छा प्रदर्शन कर रहा है। जो बात सबसे अधिक उल्लेखनीय है वह है इस युग्मन का लचीलापन - इसने हमारी मशीनरी को और अधिक विश्वसनीय बना दिया है, खासकर जब शाफ्ट के गलत संरेखण की भरपाई की बात आती है। इसे स्थापित करना एक सहज प्रक्रिया थी, कोई मुश्किल कदम नहीं था, और वेल्ड की गुणवत्ता भी ठोस दिखती है - निश्चित रूप से हमें मानसिक शांति मिलती है कि यह टिकेगा। कीमत के हिसाब से, यह वास्तव में एक अच्छा मूल्य है, और यदि आप भारी मशीनरी उद्योग में हैं, तो मैं निश्चित रूप से इस लचीले निकला हुआ किनारा सार्वभौमिक युग्मन की सिफारिश करूंगा।
⭐⭐⭐⭐⭐ जॉन डेविस, मैकेनिकल इंजीनियर, मैनचेस्टर इंजीनियरिंग लिमिटेड, यूके
हमारी मैनचेस्टर सुविधा में, हमने रेडाफॉन के एसडब्ल्यूसी-बीएफ स्टैंडर्ड फ्लेक्स फ्लैंज टाइप यूनिवर्सल कपलिंग के लिए एक पुरानी कपलिंग को बदल दिया, और अंतर तुरंत स्पष्ट हो गया। यह सार्वभौमिक युग्मन बिजली को सुचारू रूप से और कुशलता से चलाता है, तब भी जब हम इसे उच्च-तनाव की स्थिति में चला रहे होते हैं - यह कभी खराब नहीं होता है। इसके सख्त डिज़ाइन के साथ जोड़ा गया लचीलापन हमारी मशीनरी को बिना किसी रुकावट के चालू रखता है। इसके अलावा, रेडाफॉन ने हमें तेजी से डिलीवरी दी, और उनकी ग्राहक सेवा शीर्ष पायदान पर थी - जिससे पूरी खरीदारी का अनुभव और भी बेहतर हो गया। इस विश्वसनीय फ्लेक्स फ्लैंज यूनिवर्सल कपलिंग की अत्यधिक अनुशंसा करें!
⭐⭐⭐⭐⭐ माटेओ रॉसी, संचालन प्रबंधक, मिलान इंडस्ट्रियल सॉल्यूशंस, इटली
हम एक यूनिवर्सल कपलिंग की तलाश में थे जो गलत संरेखण को अच्छी तरह से संभाल सके, और इसी तरह हमें रेडाफॉन का एसडब्ल्यूसी-बीएफ स्टैंडर्ड फ्लेक्स फ्लैंज टाइप यूनिवर्सल कपलिंग मिला। हम पिछले कुछ हफ्तों से इसका उपयोग कर रहे हैं, और मैं निश्चित रूप से कह सकता हूं कि यह हमारे सभी बक्सों की जांच करता है। इसे स्थापित करना आसान था, कोई अतिरिक्त परेशानी नहीं थी, और जब हम इसे चुनौतीपूर्ण परिस्थितियों में रखते थे, तब भी यह कायम रहता था। कीमत के हिसाब से गुणवत्ता उत्कृष्ट है—निश्चित रूप से हमारी मशीनरी के लिए एक स्मार्ट निवेश है। मैं रेडाफॉन द्वारा हमें दिए गए उत्पाद और सेवा दोनों से वास्तव में खुश हूं।
Raydafon सिर्फ एक निर्माता नहीं है - हम शीर्ष स्तरीय ट्रांसमिशन घटकों और औद्योगिक मशीनरी समाधानों के अग्रणी आपूर्तिकर्ता हैं, और हमें SWC कार्डन शाफ्ट यूनिवर्सल ज्वाइंट कपलिंग जैसे उत्पादों में गहरी विशेषज्ञता मिली है। हमने अपने मूल में नवाचार और गुणवत्ता के साथ शुरुआत की, और समय के साथ, हमने गियरबॉक्स, ड्राइव शाफ्ट, हाइड्रोलिक सिलेंडर, पुली और उन्नत मशीन टूल्स को शामिल करने के लिए अपना लाइनअप बढ़ाया है - ये सभी कृषि और हेवी-ड्यूटी उद्योगों की कठिन मांगों को पूरा करने के लिए बनाए गए हैं। हमारे हाई-टॉर्क यूनिवर्सल ज्वाइंट कपलिंग समाधान सावधानी से तैयार किए गए हैं, जिससे यह सुनिश्चित होता है कि टॉर्क का स्थानांतरण सुचारू रूप से हो और मिसलिग्न्मेंट को सही तरीके से संभाला जाए - वे उन ग्राहकों के लिए बिल्कुल जरूरी हैं, जिन्हें रोलिंग मिल संचालन के लिए विश्वसनीय हेवी-ड्यूटी यूनिवर्सल ज्वाइंट कपलिंग की आवश्यकता होती है।
हमारी उत्पादन सुविधाएं अत्याधुनिक हैं: हमारे पास सीएनसी वर्कशॉप, ग्राइंडिंग और हीट ट्रीटमेंट गियर और 3डी माप प्रणाली हैं। हम ISO9001/TS16949 जैसे सख्त मानकों का पालन करते हैं, इसलिए हम जो भी औद्योगिक सार्वभौमिक संयुक्त युग्मन बनाते हैं वह सटीक होता है और लंबे समय तक चलने के लिए बनाया जाता है। उदाहरण के लिए, उठाने और सामग्री संभालने वाले उपकरणों में हमारे टिकाऊ एसडब्ल्यूसी सार्वभौमिक संयुक्त शाफ्ट युग्मन को लें - यह उन स्थानों के लिए अनुकूलित है, जहां गंभीर भार-वहन शक्ति की आवश्यकता होती है। और हमारा एसडब्ल्यूसी हेवी-ड्यूटी यूनिवर्सल जॉइंट कपलिंग? यह भारी मशीनरी यूनिवर्सल ज्वाइंट कपलिंग सिस्टम में समस्याओं का समाधान करता है, जहां चरम परिस्थितियों में स्थिर रहना गैर-परक्राम्य है।
हम वैश्विक पहुंच में भी बड़े हैं- हमारे 80% उत्पाद अमेरिका, जर्मनी, जापान, इटली, मलेशिया, ऑस्ट्रेलिया और मध्य पूर्व जैसे बाजारों में निर्यात होते हैं। हमें चीन, दक्षिण कोरिया, यूके, सिंगापुर, अमेरिका और स्पेन में एक मजबूत नेटवर्क मिला है, जो हमें बड़े पावर ट्रांसमिशन विकल्पों के लिए कस्टम कुशल सार्वभौमिक संयुक्त युग्मन बनाने की सुविधा देता है। इन्हें विशिष्ट आवश्यकताओं के अनुरूप बनाया गया है, जैसे हमारे ऊर्जा-बचत वाले सार्वभौमिक संयुक्त युग्मन समाधान जो 98.6% ट्रांसमिशन दक्षता तक पहुंचते हैं - उच्च-शक्ति सेटअप में ऊर्जा के उपयोग में कटौती करते हैं।
स्थिरता और ग्राहक-केंद्रित नवाचार हमारे लिए मायने रखते हैं। इसीलिए हम कम शोर वाले सार्वभौमिक संयुक्त युग्मन विकल्प प्रदान करते हैं जो शोर को 30-40 डीबी (ए) के बीच रखते हैं - औद्योगिक स्थानों के लिए बिल्कुल सही जहां शोर चिंता का विषय है। और हम बिक्री के बाद पूर्ण समर्थन के साथ हर चीज़ का समर्थन करते हैं। चीजों को सही तरीके से करने की हमारी प्रतिबद्धता रेडाफॉन को ट्रांसमिशन उद्योग में एक विश्वसनीय भागीदार बनाती है, जो पेशेवरों को उनके उपकरणों से सर्वोत्तम प्रदर्शन और विश्वसनीयता प्राप्त करने में मदद करती है।
पता
लुओटुओ औद्योगिक क्षेत्र, झेनहाई जिला, निंगबो शहर, चीन
टेलीफोन
ईमेल


+86-574-87168065


लुओटुओ औद्योगिक क्षेत्र, झेनहाई जिला, निंगबो शहर, चीन
कॉपीराइट © रेडाफॉन टेक्नोलॉजी ग्रुप कं, लिमिटेड सर्वाधिकार सुरक्षित।
Links | Sitemap | RSS | XML | Privacy Policy |
