क्यू आर संहिता
हमारे बारे में
उत्पादों
संपर्क करें


फैक्स
+86-574-87168065


पता
लुओटुओ औद्योगिक क्षेत्र, झेनहाई जिला, निंगबो शहर, चीन
रेडाफॉन का एसडब्ल्यूसी-डब्ल्यूडी शॉर्ट विदाउट फ्लेक्स फ्लैंज टाइप यूनिवर्सल कपलिंग भारी मशीनरी में टॉर्क को कुशलतापूर्वक स्थानांतरित करने के लिए बनाया गया है - स्टील रोलिंग मिल्स, क्रेन, लिफ्टिंग उपकरण, सभी हेवी-ड्यूटी गियर के बारे में सोचें। इसमें एक कॉम्पैक्ट, गैर-दूरबीन निकला हुआ किनारा डिजाइन है, जिसमें 180 मिमी से 1320 मिमी तक का घुमाव व्यास है। यह छोटा निकला हुआ किनारा सार्वभौमिक युग्मन 15 डिग्री तक कोणीय मिसलिग्न्मेंट और 16000 kN·m तक उच्च टॉर्क को संभाल सकता है, इसलिए तंग जगहों में भी जहां ज्यादा जगह नहीं है, यह विश्वसनीय रूप से बिजली स्थानांतरित करता रहता है। हम इसे उच्च शक्ति वाले 35CrMo स्टील से बनाते हैं, एक असर संरचना के साथ जिसमें बोल्ट की आवश्यकता नहीं होती है - भारी मशीनरी के लिए सार्वभौमिक कपलिंग और औद्योगिक अनुप्रयोगों के लिए गैर-टेलीस्कोपिक सार्वभौमिक कपलिंग के लिए बिल्कुल सही। इसे अधिक रखरखाव की आवश्यकता नहीं होती है और यह हमेशा के लिए चलता है, जो कि कठिन सेटअप में आपको बिल्कुल आवश्यक है।
चीन में हमारा विनिर्माण ISO 9001 मानकों का पालन करता है, इसलिए SWC-WD यूनिवर्सल कपलिंग कठोर परिस्थितियों में भी टिकी रहती है। क्रॉस शाफ्ट को जंग से बचाने के लिए क्रोम-प्लेटेड किया गया है, जिससे इसकी कठोरता बढ़ जाती है। इसका कठोर, वेल्डेड निकला हुआ किनारा डिज़ाइन स्थापना को आसान बनाता है, विशेष रूप से धातु विज्ञान और खनन उपकरण में जहां अक्षीय गति बहुत कम होती है। हम आपकी आवश्यकताओं के अनुरूप आकार को अनुकूलित कर सकते हैं, इसलिए यह टिकाऊ लघु सार्वभौमिक युग्मन क्रेन सिस्टम और अन्य भारी-भरकम नौकरियों के लिए कस्टम सार्वभौमिक युग्मन के रूप में बहुत अच्छा काम करता है। और कीमत भी प्रतिस्पर्धी है. रेडाफॉन की सटीक शिल्प कौशल का मतलब है कम डाउनटाइम और अधिक विश्वसनीय उपकरण - जिस पर दुनिया भर के औद्योगिक ऑपरेटर भरोसा कर सकते हैं।
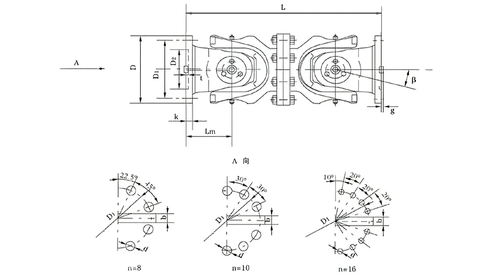
| नहीं। | परिभ्रमण व्यास डी मिमी | नाममात्र का टॉर्क तमिलनाडु केएन·एम | अक्षों का मोड़ कोण β (°) | थका हुआ टॉर्क टी.एफ केएन·एम | आकार (मिमी) | वजन (किलो) | |||||||||
| लमिन | डी1 (जेएस11) | डी2 (H7) | एलएम | रा | k | t | b (एच9) | g | लमिन | बढ़ोतरी 100 मिमी | |||||
| SWC180WD | 180 | 12.5 | 6.3 | ≤25 | 440 | 155 | 105 | 110 | 8-17 | 17 | 5 | - | - | 0.145 | 52 |
| SWC225WD | 225 | 40 | 20 | ≤15 | 480 | 196 | 135 | 120 | 8-17 | 20 | 5 | 32 | 9.0 | 0.355 | 82 |
| SWC250WD | 250 | 63 | 31.5 | 560 | 218 | 150 | 140 | 8-19 | 25 | 6 | 40 | 12.5 | 0.831 | 127 | |
| Swc285wd | 285 | 90 | 45 | 640 | 245 | 170 | 160 | 8-21 | 27 | 7 | 40 | 15.0 | 1.715 | 189 | |
| SWC315WD | 315 | 125 | 63 | 720 | 280 | 185 | 180 | 10-23 | 32 | 8 | 40 | 15.0 | 2.820 | 270 | |
| SWC350WD | 350 | 180 | 90 | 776 | 310 | 210 | 194 | 10-23 | 35 | 8 | 50 | 16.0 | 4.791 | 370 | |
| SWC390WD | 390 | 250 | 125 | 860 | 345 | 235 | 215 | 10-25 | 40 | 8 | 70 | 18.0 | 8.229 | 524 | |
| Swc440wd | 440 | 355 | 180 | 1040 | 390 | 255 | 260 | 16-28 | 42 | 10 | 80 | 20.0 | 15.320 | 798 | |
| SWC490WD | 490 | 500 | 250 | 1080 | 435 | 275 | 270 | 16-31 | 47 | 12 | 90 | 22.5 | 25.740 | 1055 | |
| SWC550WD | 550 | 710 | 355 | 1220 | 492 | 320 | 305 | 16-31 | 50 | 12 | 100 | 22.5 | 46.780 | 1524 | |
| SWC620WD | 620 | 1000 | 500 | 1360 | 555 | 380 | 340 | 10-38 | 55 | 12 | 100 | 25.0 | 83.760 | 2120 | |
* 1. टीएफ-अल्टर्नेशन लोड के तहत टॉर्क लोड होता है जो थकान शक्ति के अनुसार अनुमति देता है।
रेडाफॉन का एसडब्ल्यूसी यूनिवर्सल ज्वाइंट कपलिंग - जिसे आमतौर पर एसडब्ल्यूसी कार्डन शाफ्ट यूनिवर्सल ज्वाइंट कपलिंग कहा जाता है - केवल एक हिस्सा नहीं है; रोलिंग मिल्स, उत्थापन उपकरण और सभी प्रकार के कठिन भारी मशीनरी सेटअप जैसे भारी-भरकम औद्योगिक क्षेत्रों में इसका होना जरूरी है। एक उच्च-टोक़ सार्वभौमिक संयुक्त युग्मन के रूप में, यह दो ट्रांसमिशन शाफ्ट को जोड़ने का एक ठोस काम करता है जो पूरी तरह से संरेखित नहीं हैं, यह सुनिश्चित करते हुए कि काम करने की स्थिति वास्तव में कठोर होने पर भी बिजली सुचारू रूप से वितरित की जाती है।
आइए इसकी मुख्य विशेषताओं के बारे में बात करें: घुमाव व्यास φ58 से φ620 तक होता है, नाममात्र टॉर्क 0.15 से 1000 kN·m तक जाता है, और अक्ष मोड़ कोण 25° से अधिक नहीं होता है।
यह कपलिंग विशिष्ट स्थानों पर सबसे अच्छा काम करता है - जैसे कि जब आपको रोलिंग मिल संचालन के लिए एक विश्वसनीय हेवी-ड्यूटी यूनिवर्सल जॉइंट कपलिंग की आवश्यकता होती है, या उठाने और सामग्री प्रबंधन उपकरण में एक टिकाऊ एसडब्ल्यूसी यूनिवर्सल ज्वाइंट शाफ्ट कपलिंग की आवश्यकता होती है। इन मामलों में, यह अपनी ताकत दिखाता है: बड़े तनाव के तहत भी, यह संचालन को स्थिर रखता है, कोई गड़बड़ी या खराबी नहीं होती है।
रेडाफॉन के एसडब्ल्यूसी यूनिवर्सल जॉइंट कपलिंग को यूं ही एक साथ नहीं जोड़ा गया है - इसे शानदार काम करने और औद्योगिक उपयोग में लंबे समय तक टिके रहने के लिए स्मार्ट, अप-टू-डेट इंजीनियरिंग के साथ बनाया गया है। आइए देखें कि इसकी संरचना क्या विशिष्ट बनाती है।
सबसे पहले, इसका एक उचित और सुरक्षित कॉन्फ़िगरेशन है: हमने इस औद्योगिक सार्वभौमिक संयुक्त युग्मन के लिए एक एकीकृत कांटा सिर डिजाइन का उपयोग किया, जो बोल्ट के ढीले होने या टूटने जैसे जोखिमों को कम करता है। वह बदलाव ही इसे कुल मिलाकर 30%-50% अधिक मजबूत बनाता है, इसलिए यह सुरक्षित और लगातार चलता है। नियमित कपलिंग की तुलना में, यह लंबे समय तक चलता है, और यह उच्च-तनाव वाले स्थानों में आम समस्याओं से बचाता है - जैसे भारी मशीनरी यूनिवर्सल संयुक्त कपलिंग सिस्टम जो आप कठिन नौकरियों में देखते हैं।
फिर इसकी बढ़ी हुई भार-वहन क्षमता है: यह एसडब्ल्यूसी हेवी-ड्यूटी सार्वभौमिक संयुक्त युग्मन बड़े वजन को संभालने के लिए बनाया गया है, इसलिए यह उन जगहों पर होना चाहिए जहां खनन गियर या निर्माण मशीनों जैसे शीर्ष लोड हैंडलिंग की आवश्यकता होती है।
यह 98.6% तक उच्च संचरण दक्षता भी प्रदान करता है। बड़े पावर ट्रांसमिशन के लिए एक कुशल सार्वभौमिक संयुक्त युग्मन के रूप में, यह ऊर्जा के उपयोग और इसके साथ आने वाली लागत को कम करता है। यही कारण है कि यह उच्च-शक्ति औद्योगिक ट्रांसमिशन सेटअप में ऊर्जा-बचत सार्वभौमिक संयुक्त युग्मन समाधानों के लिए एक शीर्ष पसंद है।
और यह कम शोर के साथ सुचारू रूप से चलता है: ट्रांसमिशन स्थिर रहता है, और शोर आमतौर पर 30-40 डीबी (ए) के बीच रहता है। यह कम शोर वाला सार्वभौमिक संयुक्त युग्मन संचालन को शांत रखता है, जो औद्योगिक स्थानों के लिए बिल्कुल सही है जहां शोर एक समस्या है - उच्च स्तर पर विश्वसनीयता बनाए रखते हुए।
⭐⭐⭐⭐⭐ झांग वेई, मुख्य अभियंता, हेनान माइनिंग इक्विपमेंट कंपनी लिमिटेड।
हम अपनी खनन मशीनरी पर Raydafon के SWC-WD शॉर्ट विदाउट फ्लेक्स फ्लैंज टाइप यूनिवर्सल कपलिंग लगा रहे हैं, और यह एकदम फिट है। इसका कॉम्पैक्ट डिज़ाइन बिल्कुल वैसा ही है जिसकी हमें तंग जगहों के लिए ज़रूरत होती है जहाँ ज़्यादा जगह नहीं होती है, और संचालन को स्थिर रखने के लिए निर्माण काफी कठिन है। यहां तक कि जब यह भारी-भरकम परिस्थितियों में भी बिना रुके चल रहा हो, तब भी यह युग्मन हमें कभी निराश नहीं करता—कोई विफलता नहीं। हमारी रखरखाव टीम को यह पसंद है कि इसे जांचने की कोई आवश्यकता नहीं है, जिसका अर्थ है कि हम बिना किसी अतिरिक्त परेशानी के उत्पादन को सुचारू रूप से जारी रख सकते हैं।
⭐⭐⭐⭐⭐ माइकल ब्राउन, संचालन प्रबंधक, टेक्सास स्टील वर्क्स, यूएसए
हमारी टेक्सास वर्कशॉप ने रेडाफॉन से एसडब्ल्यूसी-डब्ल्यूडी शॉर्ट विदाउट फ्लेक्स फ्लैंज टाइप यूनिवर्सल कपलिंग का ऑर्डर दिया और ईमानदारी से कहें तो इसकी गुणवत्ता ने हमें आश्चर्यचकित कर दिया। कपलिंग को वास्तव में अच्छी तरह से मशीनीकृत किया गया है, उन्हें स्थापित करना एक कठिन काम है, और वे लोड के तहत भी विश्वसनीय रूप से टिके रहते हैं। मुझे सबसे ज्यादा कौन सी बात चुभी? यह कीमत और प्रदर्शन को कितनी अच्छी तरह संतुलित करता है - आपको अक्सर वह अच्छी जगह नहीं मिलती। ऐसा आपूर्तिकर्ता ढूंढना जो लगातार इस स्तर की गुणवत्ता प्रदान करता हो, आसान नहीं है, लेकिन रेडाफॉन ने पूरी तरह से साबित कर दिया है कि वे हमारे लिए एक भरोसेमंद भागीदार हैं।
⭐⭐⭐⭐⭐ अन्ना मुलर, रखरखाव पर्यवेक्षक, बर्लिन औद्योगिक समाधान, जर्मनी
हमने अपने बर्लिन उपकरण लाइन पर रेडाफॉन के एसडब्ल्यूसी-डब्ल्यूडी शॉर्ट विदाउट फ्लेक्स फ्लैंज टाइप यूनिवर्सल कपलिंग को रखा, और परिणाम बहुत अच्छे रहे हैं। उत्पाद अपने आप में ठोस लगता है, वेल्डिंग सटीक है - यहां कोई घटिया काम नहीं है - और अब तक, यह वास्तव में अच्छी तरह से कायम है, जो शीर्ष पायदान का स्थायित्व दिखाता है। यूरोप में हमारे द्वारा उपयोग किए गए कुछ अन्य ब्रांडों की तुलना में, यह युग्मन कहीं अधिक विश्वसनीय है, और कीमत भी कहीं अधिक प्रतिस्पर्धी है। यदि अन्य कंपनियां भरोसेमंद यूनिवर्सल कपलिंग की तलाश में हैं, तो मैं निश्चित रूप से रेडाफॉन की सिफारिश करूंगा।
रेडाफॉन का एसडब्ल्यूसी-डब्ल्यूडी शॉर्ट विदाउट फ्लेक्स फ्लैंज टाइप यूनिवर्सल कपलिंग - जिसे अक्सर एसडब्ल्यूसी कार्डन शाफ्ट यूनिवर्सल ज्वाइंट कपलिंग कहा जाता है - तंग औद्योगिक स्थानों के लिए बनाया गया है, जहां जगह सीमित है और आपको एक निश्चित लंबाई के डिजाइन (कोई टेलीस्कोपिक एक्सटेंशन नहीं) की आवश्यकता है। एक उच्च-टोक़ सार्वभौमिक संयुक्त युग्मन के रूप में, यह उन शाफ्टों के बीच टोक़ को कुशलतापूर्वक स्थानांतरित करता है जो संरेखित नहीं हैं, 25 डिग्री तक कोणीय विचलन को संभालते हैं, और यह भारी-भरकम वातावरण में भी विश्वसनीय रहता है।
आइए इसकी प्रमुख विशेषताओं के बारे में बात करते हैं: इसकी एक कॉम्पैक्ट और कठोर संरचना है - यह छोटा, गैर-लचीला निकला हुआ किनारा सेटअप इसे रोलिंग मिल संचालन के लिए एक विश्वसनीय हेवी-ड्यूटी सार्वभौमिक संयुक्त युग्मन बनाता है, जो सेटअप में अतिरिक्त स्थिरता देता है जहां अक्षीय आंदोलन न्यूनतम होता है। यही कारण है कि यह कठिन मशीनरी में निश्चित दूरी के कनेक्शन के लिए बहुत अच्छी तरह से काम करता है। फिर इसकी उच्च भार-वहन क्षमता है: हम इसे बनाने के लिए कच्चा लोहा या मिश्र धातु इस्पात जैसी कठोर सामग्री का उपयोग करते हैं, इसलिए यह उठाने और सामग्री प्रबंधन उपकरण में एक टिकाऊ एसडब्ल्यूसी सार्वभौमिक संयुक्त शाफ्ट युग्मन है। यह बड़ा वजन रखता है और समान व्यास के अन्य कपलिंगों की तुलना में अधिक टॉर्क संचारित करता है, जो इसे खनन या निर्माण गियर में भारी भार के लिए एकदम सही बनाता है।
यह औद्योगिक सार्वभौमिक संयुक्त युग्मन भी गलत संरेखण के लिए वास्तव में अच्छी तरह से क्षतिपूर्ति करता है - चाहे वह कोणीय, समानांतर, या अक्षीय गलत संरेखण हो, यह घूर्णी गति या टोक़ हस्तांतरण के साथ गड़बड़ नहीं करता है। इसका मतलब है भारी मशीनरी यूनिवर्सल ज्वाइंट कपलिंग सिस्टम में सुचारू संचालन। और यह पावर ट्रांसमिशन में कुशल है: 98.6% तक दक्षता हासिल करते हुए, यह एसडब्ल्यूसी हेवी-ड्यूटी यूनिवर्सल जॉइंट कपलिंग ऊर्जा हानि को कम रखता है, जिससे यह उच्च-शक्ति औद्योगिक सेटअप में बड़े पावर ट्रांसमिशन के लिए एक कुशल यूनिवर्सल जॉइंट कपलिंग बन जाता है।
साथ ही, इसे ऊर्जा बचाने और चुपचाप चलने के लिए डिज़ाइन किया गया है - यदि आपको ऊर्जा-बचत करने वाले सार्वभौमिक संयुक्त युग्मन समाधान की आवश्यकता है, तो परिचालन लागत में कटौती करने वाला यह एक शीर्ष विकल्प है। और यह शोर को 30-40 डीबी(ए) के बीच रखता है, इसलिए यह कम शोर वाला सार्वभौमिक संयुक्त युग्मन उन औद्योगिक स्थानों पर बिल्कुल फिट बैठता है जहां शोर चिंता का विषय है।
यह युग्मन वास्तव में विशिष्ट परिदृश्यों में चमकता है - जैसे जब आपको रोलिंग मिल संचालन के लिए एक विश्वसनीय हेवी-ड्यूटी सार्वभौमिक संयुक्त युग्मन की आवश्यकता होती है, या उठाने और सामग्री प्रबंधन उपकरण में एक टिकाऊ एसडब्ल्यूसी सार्वभौमिक संयुक्त शाफ्ट युग्मन की आवश्यकता होती है। इन मामलों में, अत्यधिक भार और सीमित स्थान के साथ भी, यह संचालन को स्थिर रखता है, कोई हिचकी नहीं आती है।
जब औद्योगिक सार्वभौमिक संयुक्त युग्मन अनुप्रयोगों की बात आती है, तो हमारा एसडब्ल्यूसी-डब्ल्यूडी संस्करण स्मार्ट इंजीनियरिंग के साथ खड़ा होता है जो इसे बेहतर प्रदर्शन और लंबे समय तक चलने वाला बनाता है। आइए इसकी मुख्य संरचना के बारे में बात करते हैं: इसमें एक एकीकृत फोर्क हेड डिज़ाइन के साथ एक उचित, सुरक्षित सेटअप है - इससे बोल्ट के ढीले होने या टूटने जैसी समस्याओं से छुटकारा मिलता है, जिससे समग्र ताकत 30% -50% बढ़ जाती है। इसका मतलब है कि यह सुरक्षित और विश्वसनीय रूप से चलता है, पुराने शैली के मॉडल की तुलना में अधिक समय तक चलता है, और भारी मशीनरी यूनिवर्सल जॉइंट कपलिंग सिस्टम जैसे उच्च तनाव वाले स्थानों में आम टूटने से बचाता है।
इसके अलावा, यह कहीं अधिक भार संभाल सकता है - हमने इसे भारी वजन का समर्थन करने के लिए बनाया है, इसलिए यह एसडब्ल्यूसी हेवी-ड्यूटी यूनिवर्सल जॉइंट कपलिंग उन स्थानों के लिए एकदम सही है, जहां खनन या निर्माण उपकरण जैसे कठिन भार प्रबंधन की आवश्यकता होती है। यह 98.6% ट्रांसमिशन दक्षता तक पहुंच कर, ऊर्जा को अत्यधिक कुशलता से संचालित करता है। बड़े पावर ट्रांसमिशन के लिए एक कुशल सार्वभौमिक संयुक्त युग्मन के रूप में, यह ऊर्जा के उपयोग और इसके साथ आने वाली लागत में कटौती करता है, जिससे यह उच्च-शक्ति औद्योगिक ट्रांसमिशन सेटअप में ऊर्जा-बचत सार्वभौमिक संयुक्त युग्मन समाधानों के लिए एक शीर्ष पसंद बन जाता है।
और यह बमुश्किल किसी भी शोर के साथ सुचारू रूप से चलता है - संचरण स्थिर रहता है, और शोर आमतौर पर 30-40 डीबी (ए) के बीच रहता है। यह कम शोर वाला सार्वभौमिक संयुक्त युग्मन संचालन को शांत रखता है, जो औद्योगिक स्थानों के लिए बिल्कुल सही है जहां शोर एक समस्या है, उच्च स्तर पर विश्वसनीयता बनाए रखते हुए।
ट्रांसमिशन पार्ट्स में रेडाफॉन सिर्फ एक और नाम नहीं है - हम उच्च-प्रदर्शन ट्रांसमिशन घटकों और औद्योगिक मशीनरी समाधानों के अग्रणी निर्माता और आपूर्तिकर्ता हैं, और हमें एसडब्ल्यूसी कार्डन शाफ्ट यूनिवर्सल ज्वाइंट कपलिंग जैसे उत्पादों पर विशेष ध्यान दिया गया है। हमने वैश्विक उद्योगों को विकसित होने के साथ-साथ उनकी ज़रूरतों को पूरा करने के लिए शुरुआत की, और समय के साथ, हमने एक पूर्ण लाइनअप बनाया है: गियरबॉक्स, ड्राइव शाफ्ट, हाइड्रोलिक सिलेंडर, पुली, सटीक मशीन टूल्स - ये सभी कृषि और हेवी-ड्यूटी क्षेत्रों को अच्छी तरह से चलाने के लिए बनाए गए हैं। हम नवाचार में बड़े हैं, यही कारण है कि हम रोलिंग मिल संचालन के लिए विश्वसनीय हेवी-ड्यूटी यूनिवर्सल संयुक्त युग्मन प्रदान कर सकते हैं जो बिना किसी रुकावट के सबसे जटिल प्रणालियों में भी फिट बैठता है।
हमारी सुविधाएं भी शीर्ष स्तर की हैं- हमारे पास सीएनसी वर्कशॉप, ग्राइंडिंग और हीट ट्रीटमेंट गियर और उन्नत 3डी माप प्रणाली हैं। हम ISO9001/TS16949 जैसे सख्त गुणवत्ता मानकों का पालन करते हैं, और यह सेटअप हमें हाई-टॉर्क यूनिवर्सल ज्वाइंट कपलिंग समाधान बनाने की सुविधा देता है जो टॉर्क को बेहतरीन तरीके से संचालित करता है और एक पेशेवर की तरह गलत संरेखण को संभालता है। उदाहरण के लिए, उठाने और सामग्री संभालने वाले उपकरणों में हमारे टिकाऊ एसडब्ल्यूसी यूनिवर्सल ज्वाइंट शाफ्ट कपलिंग को लें - यह उन स्थानों के लिए बनाया गया है, जिन्हें कठिन भार-वहन शक्ति की आवश्यकता होती है। और हमारी औद्योगिक सार्वभौमिक संयुक्त युग्मन लाइन? इसमें सभी प्रकार के उपयोग शामिल हैं जहां सटीकता और मजबूती सबसे अधिक मायने रखती है।
हम जो कुछ भी बनाते हैं उसका अस्सी प्रतिशत निर्यात किया जाता है—अमेरिका, जर्मनी, जापान, इटली, मलेशिया, ऑस्ट्रेलिया और मध्य पूर्व जैसी जगहों पर भेजा जाता है। हमारे पास चीन, दक्षिण कोरिया, यूके, सिंगापुर, अमेरिका और स्पेन में भी मजबूत नेटवर्क हैं, इसलिए हम विश्व स्तर पर मजबूत हैं। यह पहुंच हमें अनुकूलित एसडब्ल्यूसी हेवी-ड्यूटी यूनिवर्सल ज्वाइंट कपलिंग विकल्पों की पेशकश करती है - जो कि ग्राहकों की आवश्यकता के अनुरूप है, जैसे भारी मशीनरी यूनिवर्सल ज्वाइंट कपलिंग सिस्टम जहां अत्यधिक भार के तहत स्थिर रहना गैर-परक्राम्य है।
हम स्थिरता और ऐसे समाधान बनाने की परवाह करते हैं जो ग्राहकों को पहले स्थान पर रखें। इसीलिए हम ऊर्जा-बचत करने वाले सार्वभौमिक संयुक्त युग्मन समाधान विकसित करते हैं जो 98.6% ट्रांसमिशन दक्षता तक पहुँचते हैं - उच्च-शक्ति सेटअप में ऊर्जा के उपयोग में कटौती करते हैं। चाहे आपको बड़े पावर ट्रांसमिशन के लिए एक कुशल यूनिवर्सल जॉइंट कपलिंग की आवश्यकता हो या औद्योगिक स्थानों के लिए कम शोर वाले यूनिवर्सल जॉइंट कपलिंग की आवश्यकता हो, जहां शोर एक समस्या है, हमारे उत्पाद पूर्ण बिक्री-पश्चात सेवा के साथ आते हैं। इस तरह हम ट्रांसमिशन उद्योग में एक विश्वसनीय भागीदार बन गए हैं - हम सिर्फ हिस्से नहीं बेचते हैं, हम उनका समर्थन भी करते हैं।
पता
लुओटुओ औद्योगिक क्षेत्र, झेनहाई जिला, निंगबो शहर, चीन
टेलीफोन
ईमेल


+86-574-87168065


लुओटुओ औद्योगिक क्षेत्र, झेनहाई जिला, निंगबो शहर, चीन
कॉपीराइट © रेडाफॉन टेक्नोलॉजी ग्रुप कं, लिमिटेड सर्वाधिकार सुरक्षित।
Links | Sitemap | RSS | XML | Privacy Policy |
