क्यू आर संहिता
हमारे बारे में
उत्पादों
संपर्क करें


फैक्स
+86-574-87168065


पता
लुओटुओ औद्योगिक क्षेत्र, झेनहाई जिला, निंगबो शहर, चीन
रेडाफॉन का एसडब्ल्यूसी-डब्ल्यूएफ विदाउट फ्लेक्स फ्लैंज टाइप यूनिवर्सल कपलिंग केवल भारी मशीनरी में हाई-टॉर्क ट्रांसमिशन के लिए बनाया गया है - धातुकर्म उपकरण, क्रेन, खनन प्रणाली, सभी कठिन सेटअपों के बारे में सोचें जिन्हें स्थिर बिजली की आवश्यकता होती है। इसमें एक गैर-लचीला निकला हुआ किनारा डिजाइन है, 160 मिमी से 640 मिमी तक का घुमाव व्यास है, और यह निकला हुआ किनारा प्रकार सार्वभौमिक युग्मन बड़े कोणीय मिसलिग्न्मेंट और निरंतर रोटरी गति को संभालता है, यहां तक कि अत्यधिक मांग वाली स्थितियों में काम करने पर भी कोई समस्या नहीं होती है। हम इसे बनाने के लिए उच्च शक्ति वाले 35CrMo स्टील का उपयोग करते हैं, इसलिए यह तीव्र भार के लिए पूरी तरह से खड़ा है - यही कारण है कि यह भारी मशीनरी के लिए यूनिवर्सल कपलिंग और औद्योगिक अनुप्रयोगों के लिए गैर-फ्लेक्स यूनिवर्सल कपलिंग के लिए एक शीर्ष पसंद है। रेडाफॉन का सटीक विनिर्माण यह सुनिश्चित करता है कि यह हर बार ठोस प्रदर्शन प्रदान करता है, खासकर उन उद्योगों के लिए जो लगातार टॉर्क डिलीवरी से समझौता नहीं कर सकते।
यह एसडब्ल्यूसी-डब्ल्यूएफ यूनिवर्सल कपलिंग एक कठोर निकला हुआ किनारा कनेक्शन के साथ लंबे समय तक चलने के लिए बनाया गया है, जो जहाज निर्माण ड्राइव और रोलिंग मिल जैसे सिस्टम में इंस्टॉलेशन को आसान बनाता है - ऐसे स्थान जहां अक्षीय आंदोलन ज्यादा नहीं होता है। हम ISO 9001 मानकों का सख्ती से पालन करते हैं, और हमारी चीन स्थित फैक्ट्री इस टिकाऊ निकला हुआ किनारा सार्वभौमिक युग्मन बनाने के लिए उन्नत मशीनिंग और कड़ी गुणवत्ता जांच का उपयोग करती है। यह 1250 kN·m तक टॉर्क रेटिंग के साथ अनुकूलन योग्य आकार में आता है, इसलिए यह धातुकर्म उपकरण और अन्य हेवी-ड्यूटी सेटअप के लिए कस्टम यूनिवर्सल कपलिंग में सही फिट बैठता है। Raydafon प्रतिस्पर्धी कीमतों पर अनुरूप समाधान भी प्रदान करता है, जिससे डाउनटाइम में कटौती करने और आपके उपकरण की विश्वसनीयता बढ़ाने में मदद मिलती है।
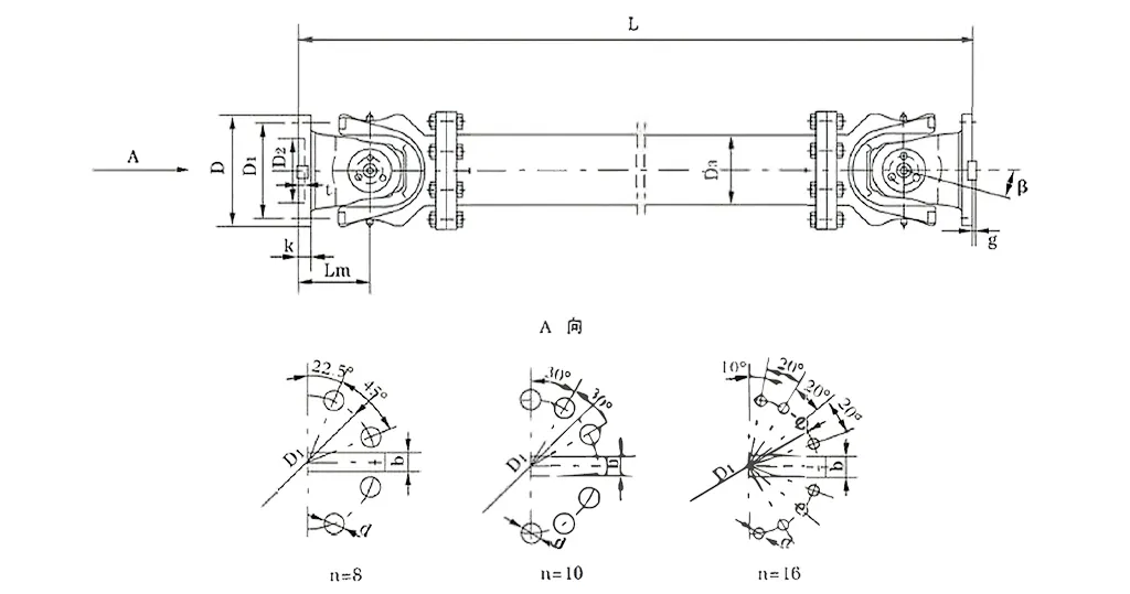
| नहीं। | परिभ्रमण व्यास डी मिमी | नाममात्र का टॉर्क तमिलनाडु केएन·एम | अक्षों का मोड़ कोण β (°) | थका हुआ टॉर्क टी.एफ केएन·एम | आकार (मिमी) | घूमती हुई जड़ता किग्रा.एम2 | वजन (किलो) | |||||||||||
| लमिन | डी1 (जेएस11) | डी2 (H7) | डी3 | एलएम | रा | k | t | b (एच9) | g | लमिन | बढ़ोतरी 100 मिमी | लमिन | बढ़ोतरी 100 मिमी | |||||
| SWC285WF | 285 | 90 | 45 | ≤15 | 810 | 245 | 170 | 194 | 160 | 8-21 | 27 | 7 | 40 | 15 | 2.664 | 0.051 | 220 | 6.3 |
| SWC315WF | 315 | 125 | 63 | 915 | 280 | 185 | 219 | 180 | 10-23 | 32 | 8 | 40 | 15 | 4.469 | 0.0795 | 300 | 8.0 | |
| SWC350WF | 350 | 180 | 90 | 980 | 310 | 210 | 267 | 194 | 10-23 | 35 | 8 | 50 | 16 | 7.388 | 0.2219 | 412 | 15.0 | |
| SWC390WF | 390 | 250 | 125 | 1100 | 345 | 235 | 267 | 215 | 10-25 | 40 | 8 | 70 | 18 | 13.184 | 0.2219 | 588 | 15.0 | |
| SWC440WF | 440 | 355 | 180 | 1290 | 390 | 255 | 325 | 260 | 16-28 | 42 | 10 | 80 | 20 | 23.250 | 0.4744 | 880 | 21.7 | |
| SWC490WF | 490 | 500 | 250 | 1360 | 435 | 275 | 325 | 270 | 16-31 | 47 | 12 | 90 | 22.5 | 40.750 | 0.4744 | 1173 | 21.7 | |
| SWC550WF | 550 | 710 | 355 | 1510 | 492 | 320 | 426 | 305 | 16-31 | 50 | 12 | 100 | 22.5 | 68.480 | 1.3570 | 1663 | 34.0 | |
| SWC620WF | 620 | 1000 | 500 | 1690 | 555 | 380 | 426 | 340 | 10-38 | 55 | 12 | 100 | 25 | 127.530 | 1.3570 | 2332 | 34.0 | |
* 1. टीएफ-अल्टर्नेशन लोड के तहत टॉर्क लोड होता है जो थकान शक्ति के अनुसार अनुमति देता है।
* 2. एल-इंस्टाल लंबाई, जो आवश्यकता के अनुसार हो।
रेडाफॉन का एसडब्ल्यूसी-डब्ल्यूएफ बिना फ्लेक्स फ्लैंज टाइप यूनिवर्सल ज्वाइंट कपलिंग - जिसे एसडब्ल्यूसी कार्डन शाफ्ट यूनिवर्सल ज्वाइंट कपलिंग भी कहा जाता है - एक बुनियादी यांत्रिक विचार पर काम करता है: इसे दो गैर-कोलीनियर शाफ्ट से टॉर्क मिलता है जहां इसे जाने की जरूरत होती है, और यह गलत संरेखण को भी संभालता है। यह उच्च-टोक़ सार्वभौमिक संयुक्त युग्मन दोनों सिरों पर फ्लैंग्स को जोड़ने के लिए एक क्रॉस-बेयरिंग सेटअप का उपयोग करता है, इसलिए जब शाफ्ट 25 डिग्री तक ऑफसेट होते हैं या अक्षीय/रेडियल विचलन होते हैं, तब भी यह घूर्णन शक्ति को सुचारू रूप से चलाता है।
यह कैसे काम करता है इसका मूल सार्वभौमिक संयुक्त डिज़ाइन है - इसमें एक क्रॉस शाफ्ट है जो धुरी की तरह कार्य करता है, जिससे प्रत्येक निकला हुआ किनारा अपने आप चलता है। इस तरह, टॉर्क ड्राइविंग शाफ्ट से संचालित शाफ्ट तक कुशलतापूर्वक जाता है, और यह उन हिस्सों पर बहुत अधिक तनाव डाले बिना कोणीय मिसलिग्न्मेंट की भरपाई करता है, जिनसे यह जुड़ा हुआ है। यदि आपको रोलिंग मिल संचालन के लिए एक विश्वसनीय हेवी-ड्यूटी यूनिवर्सल संयुक्त युग्मन की आवश्यकता है, तो इसकी कठोर, गैर-लचीली निकला हुआ किनारा संरचना चीजों को स्थिर रखती है, जो कॉम्पैक्ट भारी मशीनरी सेटअप में कम दूरी के कनेक्शन के लिए बिल्कुल सही है।
इसके कार्य को जो विशिष्ट बनाता है वह यह है कि इसमें लचीले हिस्से या विस्तार सुविधाएँ नहीं हैं - यह इसे अन्य प्रकारों से अलग करता है और इसे उन स्थानों के लिए महान बनाता है जहां अक्षीय गति न्यूनतम है। टिकाऊ एसडब्ल्यूसी यूनिवर्सल ज्वाइंट शाफ्ट कपलिंग जिसका उपयोग हम उठाने और सामग्री संभालने वाले उपकरणों में करते हैं, बड़े भार के तहत भी संतुलित रहने के लिए इस सिद्धांत पर निर्भर करता है; यह ट्रांसमिशन क्षमता को 98.6% तक प्रभावित करता है और ज्यादा ऊर्जा बर्बाद नहीं करता है। यह औद्योगिक सार्वभौमिक संयुक्त युग्मन सटीक असर आंदोलन के कारण कंपन को भी कम करता है, इसलिए यह उच्च तनाव स्थितियों में भी आसानी से चलता है - ठीक उसी तरह जैसे भारी मशीनरी सार्वभौमिक संयुक्त युग्मन सिस्टम आप कठिन औद्योगिक नौकरियों में देखते हैं।
इसके अलावा, रेडाफॉन के एसडब्ल्यूसी हेवी-ड्यूटी यूनिवर्सल ज्वाइंट कपलिंग ने इसे मजबूत बनाने के लिए फ्लैंज को वेल्ड किया है - बोल्ट के ढीले होने की कोई चिंता नहीं है, और यह समग्र ताकत को 30% से 50% तक बढ़ा देता है। बड़े पावर ट्रांसमिशन के लिए एक कुशल सार्वभौमिक संयुक्त युग्मन के रूप में, यह 0.15 से 1000 kN·m तक के नाममात्र टॉर्क को संभालता है और इसका घुमाव व्यास φ58 से φ620 तक है - जो इसे मांग वाले औद्योगिक ट्रांसमिशन में ऊर्जा-बचत करने वाले सार्वभौमिक संयुक्त युग्मन समाधान के लिए एक शीर्ष पसंद बनाता है। और 30-40 डीबी (ए) के बीच शोर रखने पर, यह कम शोर वाला सार्वभौमिक संयुक्त युग्मन शांत चलता है, जो उच्च विश्वसनीयता मानकों को बनाए रखते हुए औद्योगिक स्थानों के लिए आदर्श है जहां शोर एक चिंता का विषय है।
रेडाफॉन का एसडब्ल्यूसी यूनिवर्सल जॉइंट कपलिंग - जिसे अक्सर एसडब्ल्यूसी कार्डन शाफ्ट यूनिवर्सल जॉइंट कपलिंग कहा जाता है - केवल एक नियमित हिस्सा नहीं है; रोलिंग मिल्स, उत्थापन मशीनरी और सभी प्रकार की कठिन भारी मशीनरी प्रणालियों जैसे हेवी-ड्यूटी औद्योगिक सेटअपों के लिए यह जरूरी है। एक उच्च-टोक़ सार्वभौमिक संयुक्त युग्मन के रूप में, यह दो ट्रांसमिशन शाफ्ट को जोड़ने का एक ठोस काम करता है जो पूरी तरह से लाइन में नहीं होते हैं, यह सुनिश्चित करते हुए कि काम करने की स्थिति खराब होने पर भी बिजली प्रवाहित होती रहती है।
आइए इसकी प्रमुख विशिष्टताओं के बारे में बात करें: परिभ्रमण व्यास φ58 से φ620 तक होता है, नाममात्र टॉर्क 0.15 से 1000 kN·m तक जाता है, और अक्ष मोड़ कोण 25° से अधिक नहीं होता है।
यह उत्पाद वास्तव में विशिष्ट परिदृश्यों में चमकता है - जैसे जब आपको रोलिंग मिल संचालन के लिए एक विश्वसनीय हेवी-ड्यूटी यूनिवर्सल संयुक्त युग्मन की आवश्यकता होती है, या उठाने और सामग्री प्रबंधन उपकरण में एक टिकाऊ एसडब्ल्यूसी सार्वभौमिक संयुक्त शाफ्ट युग्मन की आवश्यकता होती है। इन मामलों में, यह संचालन को स्थिर रखकर अपनी उपयोगिता साबित करता है, भले ही यह भारी भार से निपट रहा हो।
रेडाफॉन का एसडब्ल्यूसी यूनिवर्सल ज्वाइंट कपलिंग केवल कार्य के लिए नहीं बनाया गया है - इसे औद्योगिक उपयोग में बनाए रखने और लंबे समय तक अच्छा प्रदर्शन करने के लिए स्मार्ट डिजाइन के साथ इंजीनियर किया गया है। आइए देखें कि इसकी संरचना क्या विशिष्ट बनाती है।
सबसे पहले, इसका एक उचित और सुरक्षित कॉन्फ़िगरेशन है: हमने इस औद्योगिक सार्वभौमिक संयुक्त युग्मन के लिए एक एकीकृत कांटा सिर डिजाइन का उपयोग किया, जो बोल्ट के ढीले होने या टूटने जैसे जोखिमों को कम करता है। वह अकेले ही इसकी संरचनात्मक अखंडता को 30%-50% तक बढ़ा देता है, इसलिए यह सुरक्षित और विश्वसनीय रूप से काम करता है। नियमित कपलिंग की तुलना में, यह लंबे समय तक चलता है और उच्च तनाव वाले स्थानों में आम टूटने से बचाता है - जैसे भारी मशीनरी यूनिवर्सल संयुक्त कपलिंग सिस्टम जो आप कठिन नौकरियों में देखते हैं।
फिर इसकी बढ़ी हुई भार-वहन क्षमता है: यह एसडब्ल्यूसी हेवी-ड्यूटी सार्वभौमिक संयुक्त युग्मन बड़े वजन को संभालने के लिए बनाया गया है, इसलिए यह उन जगहों पर होना चाहिए जहां खनन या निर्माण मशीनरी जैसे शीर्ष लोड प्रबंधन की आवश्यकता होती है।
यह उच्च संचरण दक्षता भी प्रदान करता है - 98.6% तक। बड़े पावर ट्रांसमिशन के लिए एक कुशल सार्वभौमिक संयुक्त युग्मन के रूप में, यह ऊर्जा के उपयोग और इसके साथ आने वाली लागत को कम करता है। यही कारण है कि यह उच्च-शक्ति औद्योगिक ट्रांसमिशन सेटअप में ऊर्जा-बचत सार्वभौमिक संयुक्त युग्मन समाधान के लिए शीर्ष विकल्प है।
और यह कम शोर के साथ सुचारू रूप से चलता है: यह ट्रांसमिशन को स्थिर रखता है, और शोर आमतौर पर 30-40 डीबी (ए) के बीच रहता है। यह कम शोर वाला सार्वभौमिक संयुक्त युग्मन सुनिश्चित करता है कि संचालन शांत रहे, जो उन स्थानों के लिए बिल्कुल सही है जहां शोर एक समस्या है - उच्च स्तर पर विश्वसनीयता बनाए रखते हुए।
⭐⭐⭐⭐⭐ चेन लियांग, प्रोडक्शन इंजीनियर, झेजियांग मशीनरी कंपनी लिमिटेड।
हमने अपनी एक उत्पादन लाइन पर रेडाफॉन के एसडब्ल्यूसी-डब्ल्यूएफ विदाउट फ्लेक्स फ्लैंज टाइप यूनिवर्सल कपलिंग को रखा है, और यह अब तक बहुत अच्छा काम कर रहा है। संरचना सरल लेकिन कठिन है—इसे स्थापित करना बहुत आसान था, इसमें कोई जटिल कदम नहीं था। एक बार यह सेट हो जाए, तो यह सुचारू रूप से चलता है, अतिरिक्त बदलाव की कोई आवश्यकता नहीं है। भार भारी होने पर भी, यह युग्मन विश्वसनीय रहता है, जिसका अर्थ है कि हम बिना अधिक चिंता किए मशीनों को लंबे समय तक चालू रख सकते हैं - निश्चित रूप से हमें मानसिक शांति मिलती है।
⭐⭐⭐⭐⭐ सन मेई, क्रय पर्यवेक्षक, हेबेई स्टील कंपनी लिमिटेड।
हमारी कंपनी ने रेडाफॉन से कई एसडब्ल्यूसी-डब्ल्यूएफ विदाउट फ्लेक्स फ्लैंज टाइप यूनिवर्सल कपलिंग्स खरीदे, और सबसे पहले, डिलीवरी सही समय पर हुई, और पैकेजिंग भी सावधान थी - कोई नुकसान नहीं हुआ। वर्कशॉप टीम ने जो कहा वह वास्तव में मेरे लिए सबसे महत्वपूर्ण है: उन्होंने मुझे बताया कि कपलिंग स्थापित करना आसान है, और उनका उपयोग करने पर वे वास्तव में ठोस लगते हैं। साथ ही, अन्य आपूर्तिकर्ताओं की तुलना में, यहां कीमत उचित है। कुल मिलाकर, हम इस खरीदारी से सचमुच खुश हैं।
⭐⭐⭐⭐⭐ गुओ जून, रखरखाव प्रबंधक, लियाओनिंग हेवी इंडस्ट्री ग्रुप
मेरा काम हमारी मशीनों को चालू रखना है, और मैं जितना संभव हो सके डाउनटाइम में कटौती करने की कोशिश करता हूं। जब से हमने रेडाफॉन के एसडब्ल्यूसी-डब्ल्यूएफ विदाउट फ्लेक्स फ्लैंज टाइप यूनिवर्सल कपलिंग का उपयोग करना शुरू किया है, मैंने एक बड़ा अंतर देखा है - हिस्से पर कम घिसाव, और ऑपरेशन के दौरान बहुत कम समस्याएं। डिज़ाइन कठिन है, और इसे बहुत अधिक रखरखाव की आवश्यकता नहीं है। इससे हमारा समय और पैसा दोनों बचता है, और यह हमारे उपकरण के लिए एक अत्यंत भरोसेमंद हिस्सा बन गया है।
Raydafon, EVER-POWER Group Co., Ltd. की एक प्रमुख सहायक कंपनी है - हम सिर्फ एक आपूर्तिकर्ता नहीं हैं, बल्कि उच्च गुणवत्ता वाले ट्रांसमिशन घटकों और औद्योगिक समाधानों के लिए एक प्रदाता हैं, और हम SWC कार्डन शाफ्ट यूनिवर्सल ज्वाइंट कपलिंग जैसे नवीन उत्पादों पर बहुत अधिक ध्यान केंद्रित करते हैं। जब से हमने शुरुआत की है, हम प्रौद्योगिकी को आगे बढ़ाने और वैश्विक बाजारों में आगे बढ़ने पर ध्यान केंद्रित कर रहे हैं; हम एकल घटकों को बेचने तक ही सीमित नहीं रहे - अब हम पूर्ण-प्रणाली समाधान तैयार करते हैं जो कृषि और भारी-भरकम औद्योगिक आवश्यकताओं के लिए पूरी तरह उपयुक्त हैं। ड्राइव शाफ्ट और ट्रांसमिशन उत्पादों में हमारी जानकारी का मतलब है कि जिन ग्राहकों को रोलिंग मिल संचालन (और अन्य कठिन कार्यों) के लिए विश्वसनीय हेवी-ड्यूटी यूनिवर्सल ज्वाइंट कपलिंग की आवश्यकता होती है, वे एक ठोस भागीदार के रूप में हम पर भरोसा कर सकते हैं।
रेडाफॉन में, हम उत्पादों की एक विस्तृत श्रृंखला बनाते हैं: गियरबॉक्स, ड्राइव शाफ्ट, हाइड्रोलिक सिलेंडर, पुली, और यहां तक कि सीएनसी लेथ और मिलिंग मशीन जैसे उन्नत मशीन टूल्स भी। उदाहरण के लिए, हमारे उच्च-टोक़ सार्वभौमिक संयुक्त युग्मन समाधान - एसडब्ल्यूसी श्रृंखला को लें - उद्योगों की सख्त मांगों को संभालने के लिए बनाए गए हैं, जिन्हें उठाने और सामग्री प्रबंधन उपकरण में टिकाऊ एसडब्ल्यूसी सार्वभौमिक संयुक्त शाफ्ट युग्मन की आवश्यकता होती है। हमें उन्नत सुविधाएं भी मिली हैं: सीएनसी वर्कशॉप, ग्राइंडिंग और हीट ट्रीटमेंट मशीनें, 3डी माप उपकरण - सभी आईएसओ9001/टीएस16949 मानकों का पालन करने के लिए, इसलिए हम जो भी औद्योगिक सार्वभौमिक संयुक्त युग्मन बनाते हैं वह उच्च गुणवत्ता और सटीक है।
हम अपने 80% उत्पाद विदेशों, अमेरिका, जर्मनी, जापान, इटली, मलेशिया, ऑस्ट्रेलिया और मध्य पूर्व जैसे बाजारों में बेचते हैं। और हमें इसका समर्थन करने के लिए चीन, दक्षिण कोरिया, यूके, सिंगापुर, अमेरिका और स्पेन जैसी जगहों पर एक मजबूत नेटवर्क मिला है। यह वैश्विक पहुंच हमें अनुकूलित समाधान बनाने की सुविधा देती है, जैसे एसडब्ल्यूसी हेवी-ड्यूटी यूनिवर्सल ज्वाइंट कपलिंग - भारी मशीनरी यूनिवर्सल ज्वाइंट कपलिंग सिस्टम के लिए डिज़ाइन किया गया है, जिन्हें बड़े भार को संभालने और लंबे समय तक चलने की आवश्यकता होती है।
नवप्रवर्तन और ग्राहकों को खुश करना हमारी प्राथमिकताएँ हैं। हम ऊर्जा-बचत करने वाले सार्वभौमिक संयुक्त युग्मन समाधान प्रदान करते हैं जो 98.6% ट्रांसमिशन दक्षता तक पहुँचते हैं, जिससे उच्च-शक्ति सेटअप के लिए परिचालन लागत में कटौती होती है। चाहे आपको बड़े पावर ट्रांसमिशन के लिए एक कुशल सार्वभौमिक संयुक्त युग्मन की आवश्यकता हो या उन स्थानों के लिए कम शोर वाले सार्वभौमिक संयुक्त युग्मन की आवश्यकता हो जहां शोर मायने रखता है, हमारे उत्पाद पेशेवर बिक्री के बाद सेवा के साथ आते हैं - और हम चीजों को सही करने के लिए समर्पित हैं। यही कारण है कि आपकी सभी ट्रांसमिशन जरूरतों के लिए रायडाफॉन सबसे अच्छा विकल्प है।
पता
लुओटुओ औद्योगिक क्षेत्र, झेनहाई जिला, निंगबो शहर, चीन
टेलीफोन
ईमेल


+86-574-87168065


लुओटुओ औद्योगिक क्षेत्र, झेनहाई जिला, निंगबो शहर, चीन
कॉपीराइट © रेडाफॉन टेक्नोलॉजी ग्रुप कं, लिमिटेड सर्वाधिकार सुरक्षित।
Links | Sitemap | RSS | XML | Privacy Policy |
