क्यू आर संहिता
हमारे बारे में
उत्पादों
संपर्क करें


फैक्स
+86-574-87168065


पता
लुओटुओ औद्योगिक क्षेत्र, झेनहाई जिला, निंगबो शहर, चीन
रेडाफॉन का एसडब्ल्यूसी-डीएच शॉर्ट फ्लेक्स वेल्डिंग टाइप यूनिवर्सल कपलिंग हेवी-ड्यूटी गियर में गलत संरेखित शाफ्ट को जोड़ने के लिए बनाया गया है - रोलिंग मिल्स, होइस्ट और स्टील प्रोसेसिंग मशीनों के बारे में सोचें। यह एक कॉम्पैक्ट शॉर्ट फ्लेक्स यूनिवर्सल कपलिंग है, जिसका घुमाव व्यास 45 मिमी से 390 मिमी तक है। यहां तक कि जब शाफ्ट 25 डिग्री (कोणीय मिसलिग्न्मेंट) तक बंद हो जाते हैं, तब भी यह टॉर्क को कुशलता से चलाता है - अधिकतम 1000 kN·m, जो भारी उपकरणों की बिजली आवश्यकताओं के साथ बिल्कुल फिट बैठता है।
हम इसे उच्च शक्ति वाले 35CrMo स्टील से बनाते हैं और चार सुई बेयरिंग जोड़ते हैं, ताकि यह भारी भार के नीचे भी टिका रहे। यही कारण है कि यह औद्योगिक मशीनरी यूनिवर्सल कपलिंग के लिए एक ठोस विकल्प है, और उन स्थानों पर भारी उपकरण वेल्डेड यूनिवर्सल कपलिंग के रूप में बहुत अच्छा काम करता है जहां भार लगातार उच्च रहता है। इसका शॉर्ट-फ्लेक्स डिज़ाइन उन मशीनों के लिए एकदम सही है जिनमें अक्षीय गति के लिए बहुत कम जगह है, साथ ही यह कठिन औद्योगिक स्थानों के लिए एक कठिन ट्रांसमिशन फिक्स भी देता है।
Raydafon ISO 9001 प्रमाणन के साथ चीन स्थित निर्माता है, इसलिए हम प्रत्येक SWC-DH यूनिवर्सल कपलिंग के लिए सख्त गुणवत्ता नियमों का पालन करते हैं। क्रॉस शाफ्ट को जंग से लड़ने के लिए क्रोम प्लेट मिलती है, इसलिए यह कठोर परिस्थितियों में भी टिकी रहती है। वेल्डेड योक इंस्टॉलेशन को भी आसान बनाता है - बस शाफ्ट को सही से पंक्तिबद्ध करें, और यह अपने सबसे अच्छे तरीके से काम करता है। आप इसे धातुकर्म, खनन और क्रेन प्रणालियों में गियर पर पाएंगे, कोई समस्या नहीं।
साथ ही, यह कपलिंग विभिन्न आकारों और टॉर्क रेटिंग में आता है। यदि आपको औद्योगिक मशीनरी के लिए कस्टम यूनिवर्सल कपलिंग की आवश्यकता है - मान लीजिए, हार्वेस्टर या अन्य विशिष्ट गियर के लिए - तो हम इसे आपकी आवश्यकताओं के अनुरूप बना सकते हैं, और कीमत प्रतिस्पर्धी बनी रहेगी। हमारे पास विनिर्माण संबंधी जानकारी है कि इस छोटे फ्लेक्स कपलिंग को उपकरण के डाउनटाइम में कैसे कम किया जाए, ताकि आपकी मशीनें समग्र रूप से अधिक विश्वसनीय रूप से चल सकें।
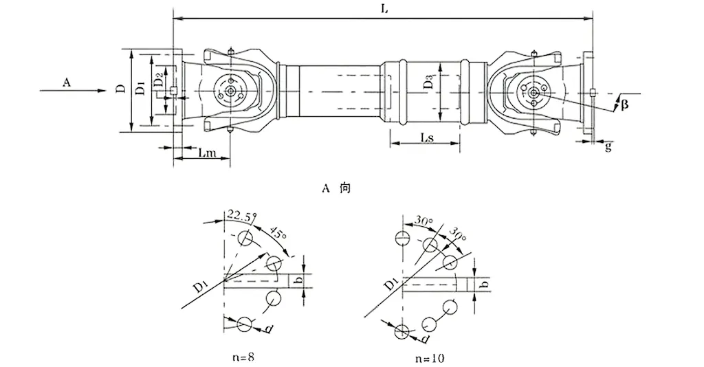
| नहीं। | परिभ्रमण व्यास डी मिमी | नाममात्र का टॉर्क तमिलनाडु केएन·एम | अक्षों का मोड़ कोण β (°) | थका हुआ टॉर्क Tf केएन·एम | फ्लेक्स मात्रा एलएस मिमी | आकार (मिमी) | घूमती हुई जड़ता किग्रा.एम2 | वजन (किलो) | |||||||||||
| लमिन | डी1 (जेएस11) | डी2 (H7) | डी3 | एलएम | रा | k | t | b (एच9) | g | लमिन | बढ़ोतरी 100 मिमी | लमिन | बढ़ोतरी 100 मिमी | ||||||
| SWC180DH1 | 180 | 20 | 10 | ≤25 | 75 | 650 | 155 | 105 | 114 | 110 | 8-17 | 17 | 5 | - | - | 0.165 | 0.0070 | 58 | 2.8 |
| SWC180DH2 | 55 | 600 | 0.162 | 56 | |||||||||||||||
| SWC180DH3 | 40 | 550 | 0.160 | 52 | |||||||||||||||
| SWC225DH1 | 225 | 40 | 20 | ≤15 | 85 | 710 | 196 | 135 | 152 | 120 | 20 | 5 | 32 | 9.0 | 0.415 | 0.0234 | 95 | 4.9 | |
| SWC225DH2 | 70 | 640 | 0.397 | 92 | |||||||||||||||
| SWC250DH1 | 250 | 63 | 31.5 | ≤15 | 100 | 795 | 218 | 150 | 168 | 140 | 8-19 | 25 | 6 | 40 | 12.5 | 0.900 | 0.0277 | 148 | 5.3 |
| SWC250DH2 | 70 | 735 | 0.885 | 136 | |||||||||||||||
| SWC285DH1 | 285 | 90 | 45 | ≤15 | 120 | 950 | 245 | 170 | 194 | 160 | 8-21 | 27 | 7 | 40 | 15.0 | 1.876 | 0.0510 | 229 | 6.3 |
| SWC285DH2 | 80 | 880 | 1.801 | 221 | |||||||||||||||
| SWC315DH1 | 315 | 125 | 63 | ≤15 | 130 | 1070 | 280 | 185 | 219 | 180 | 10-23 | 32 | 8 | 40 | 15.0 | 3.331 | 0.0795 | 346 | 8.0 |
| SWC315DH2 | 90 | 980 | 3.163 | 334 | |||||||||||||||
| SWC350DH1 | 350 | 180 | 90 | ≤15 | 140 | 1170 | 310 | 210 | 267 | 194 | 10-23 | 35 | 8 | 50 | 16.0 | 6.215 | 0..2219 | 508 | 15.0 |
| SWC350DH2 | 90 | 1070 | 5.824 | 485 | |||||||||||||||
| SWC390DH1 | 390 | 250 | 125 | ≤15 | 150 | 1300 | 345 | 235 | 267 | 215 | 10-25 | 40 | 8 | 70 | 18.0 | 11.125 | 0.2219 | 655 | |
| SWC390DH2 | 90 | 1200 | 10.763 | 600 | |||||||||||||||
* 1. टीएफ-अल्टर्नेशन लोड के तहत टॉर्क लोड होता है जो थकान शक्ति के अनुसार अनुमति देता है। * 2. लमिन - कट के बाद सबसे कम लंबाई। * 3. एल-इंस्टाल लंबाई, जो आवश्यकता के अनुसार हो
एसडब्ल्यूसी यूनिवर्सल जॉइंट कपलिंग, जिसे अक्सर एसडब्ल्यूसी कार्डन शाफ्ट यूनिवर्सल जॉइंट कपलिंग कहा जाता है, हेवी-ड्यूटी औद्योगिक परिदृश्यों में एक प्रमुख घटक है। यह रोलिंग मिलों, उत्थापन मशीनरी और विभिन्न बड़े पैमाने पर भारी मशीनरी प्रणालियों के लिए अपरिहार्य है। एक उच्च-टोक़ सार्वभौमिक संयुक्त युग्मन के रूप में, यह दो ट्रांसमिशन शाफ्ट को गैर-संयोग अक्षों के साथ प्रभावी ढंग से जोड़ सकता है, जो जटिल और कठोर कामकाजी परिस्थितियों में भी निर्बाध विद्युत संचरण सुनिश्चित करता है।
इस युग्मन के मुख्य तकनीकी पैरामीटर इस प्रकार हैं:
परिभ्रमण व्यास: φ58 - φ620
नाममात्र टोक़: 0.15 - 1000 kN·m
अक्ष मोड़ कोण: ≤25°
व्यावहारिक अनुप्रयोगों में, यह असाधारण रूप से अच्छा प्रदर्शन करता है। उदाहरण के लिए, रोलिंग मिल संचालन के दौरान, जब रोलिंग मिलों को समर्पित एक विश्वसनीय हेवी-ड्यूटी यूनिवर्सल जॉइंट कपलिंग की आवश्यकता होती है, या उठाने और सामग्री प्रबंधन उपकरण में, जब एक टिकाऊ एसडब्ल्यूसी यूनिवर्सल जॉइंट शाफ्ट कपलिंग की आवश्यकता होती है, तो यह उत्पाद पूरी तरह से सक्षम है। भारी भार के तहत भी, यह उपकरण की परिचालन स्थिरता को स्थिर रूप से बनाए रख सकता है।
एसडब्ल्यूसी यूनिवर्सल जॉइंट कपलिंग को उन्नत इंजीनियरिंग सिद्धांतों का उपयोग करके डिज़ाइन किया गया है, जो औद्योगिक वातावरण में असाधारण प्रदर्शन और लंबी सेवा जीवन प्रदान करता है। इसकी मुख्य संरचनात्मक विशेषताएं इस प्रकार हैं:
उचित और सुरक्षित संरचना: एक एकीकृत कांटा सिर डिजाइन की विशेषता, यह औद्योगिक सार्वभौमिक संयुक्त युग्मन बोल्ट के ढीलेपन या टूटने के जोखिम को कम करता है, जिससे संरचनात्मक ताकत 30% -50% बढ़ जाती है। यह डिज़ाइन सुरक्षित और विश्वसनीय संचालन सुनिश्चित करता है, पारंपरिक मॉडलों की तुलना में सेवा जीवन बढ़ाता है, और भारी मशीनरी सार्वभौमिक संयुक्त युग्मन सिस्टम जैसे उच्च दबाव परिदृश्यों में सामान्य विफलताओं को रोकता है।
उन्नत भार-वहन क्षमता: एसडब्ल्यूसी हेवी-ड्यूटी यूनिवर्सल जॉइंट कपलिंग को विशेष रूप से भारी भार सहन करने के लिए डिज़ाइन किया गया है, जो खनन या निर्माण मशीनरी जैसे उत्कृष्ट भार प्रबंधन की आवश्यकता वाले परिदृश्यों में इसे आवश्यक बनाता है।
उच्च ट्रांसमिशन दक्षता: 98.6% तक की दक्षता के साथ, उच्च-शक्ति ट्रांसमिशन के लिए यह कुशल सार्वभौमिक संयुक्त युग्मन ऊर्जा की खपत और संबंधित लागत को काफी कम कर देता है, जिससे यह उच्च-शक्ति औद्योगिक ट्रांसमिशन सिस्टम में ऊर्जा-बचत सार्वभौमिक संयुक्त युग्मन समाधान के लिए पहली पसंद बन जाता है।
कम शोर के साथ स्थिर संचालन: यह कम शोर वाला सार्वभौमिक संयुक्त युग्मन आमतौर पर 30-40 डीबी (ए) के बीच शोर के स्तर के साथ स्थिर रूप से संचालित होता है, जिससे शांत प्रदर्शन सुनिश्चित होता है। यह उच्च विश्वसनीयता बनाए रखते हुए शोर-संवेदनशील वातावरण के लिए आदर्श है।
यूनिवर्सल ज्वाइंट कपलिंग, विशेष रूप से एसडब्ल्यूसी कार्डन शाफ्ट यूनिवर्सल ज्वाइंट कपलिंग, अपने उत्कृष्ट लाभों के कारण औद्योगिक अनुप्रयोगों में अपरिहार्य ट्रांसमिशन घटक बन गए हैं। वे भारी मशीनरी, सटीक विनिर्माण और ऊर्जा संचरण जैसे क्षेत्रों में अपने प्रदर्शन से मुख्य जरूरतों को पूरा कर सकते हैं। नीचे उनके प्रमुख लाभों का विस्तृत विश्लेषण दिया गया है:
1. मजबूत टॉर्क ट्रांसमिशन और उत्कृष्ट मिसलिग्न्मेंट मुआवजा
एक उच्च-टोक़ सार्वभौमिक संयुक्त युग्मन के रूप में, यह स्थिर रूप से उच्च-शक्ति भार संचारित कर सकता है। ऐसे परिदृश्यों में भी जहां रोलिंग मिल संचालन के दौरान शाफ्ट का गलत संरेखण अक्सर होता है - जैसे कि रोलर घिसाव के कारण अक्षीय ऑफसेट और स्टील रोलिंग के दौरान तापमान में परिवर्तन - रोलिंग मिल संचालन के लिए यह विश्वसनीय हेवी-ड्यूटी सार्वभौमिक संयुक्त युग्मन इसे आसानी से संभाल सकता है। यह एक साथ 25 डिग्री तक के अधिकतम कोणीय मिसलिग्न्मेंट के साथ कोणीय, अक्षीय और रेडियल मिसलिग्न्मेंट की भरपाई कर सकता है। यह उत्कृष्ट मिसलिग्न्मेंट अनुकूलन क्षमता शाफ्ट मिसलिग्न्मेंट के कारण होने वाले ट्रांसमिशन जाम को रोकती है, निरंतर और स्थिर बिजली वितरण सुनिश्चित करती है, अत्यधिक कामकाजी परिस्थितियों में यांत्रिक विफलताओं की संभावना को काफी कम करती है, और उत्पादन लाइनों के निरंतर संचालन की गारंटी देती है।
2. उच्च स्थायित्व और लंबी सेवा जीवन
एसडब्ल्यूसी यूनिवर्सल जॉइंट कपलिंग का डिज़ाइन और सामग्री चयन "भारी भार का विरोध करने और कठोर वातावरण का सामना करने" पर केंद्रित है। मुख्य बॉडी उच्च शक्ति वाले मिश्र धातु इस्पात से बनी है, जो एक एकीकृत फोर्क हेड संरचना के साथ संयुक्त है, जो मूल रूप से बोल्ट ढीलापन और घटक टूटना जैसी सामान्य विफलता बिंदुओं को कम करती है। उदाहरण के तौर पर उठाने और सामग्री संभालने वाले उपकरणों में उपयोग किए जाने वाले टिकाऊ एसडब्ल्यूसी यूनिवर्सल जॉइंट शाफ्ट कपलिंग को लेते हुए, यह भारी वस्तुओं को उठाते समय तात्कालिक प्रभाव भार का सामना कर सकता है और धूल और उच्च तापमान जैसे कठोर वातावरण में स्थिर प्रदर्शन बनाए रख सकता है। पारंपरिक स्प्लिट-स्ट्रक्चर कपलिंग की तुलना में, इस औद्योगिक सार्वभौमिक संयुक्त कपलिंग की कुल ताकत 30% -50% बढ़ जाती है, जो न केवल दैनिक रखरखाव की आवृत्ति को कम करती है बल्कि सेवा जीवन को 2-3 साल तक बढ़ा देती है। यह भारी मशीनरी यूनिवर्सल ज्वाइंट कपलिंग सिस्टम की दीर्घकालिक उच्च-लोड संचालन आवश्यकताओं के लिए विशेष रूप से उपयुक्त है।
3. उच्च संचरण क्षमता और महत्वपूर्ण ऊर्जा-बचत प्रभाव
परीक्षणों से पता चला है कि एसडब्ल्यूसी हेवी-ड्यूटी यूनिवर्सल जॉइंट कपलिंग की ट्रांसमिशन दक्षता 98.6% तक है, जिसके उच्च-शक्ति औद्योगिक ट्रांसमिशन परिदृश्यों में स्पष्ट लाभ हैं - जैसे कि स्टील संयंत्रों में ब्लास्ट फर्नेस पंखे और बिजली संयंत्रों में कोयला परिवहन प्रणाली। उन उपकरणों के लिए जिन्हें निरंतर उच्च-शक्ति ट्रांसमिशन की आवश्यकता होती है, बड़े पावर ट्रांसमिशन के लिए इस कुशल सार्वभौमिक संयुक्त युग्मन के साथ मिलान करने से बिजली हानि को कम किया जा सकता है। ऊर्जा-बचत सार्वभौमिक संयुक्त युग्मन समाधानों का पीछा करने वाले उद्यमों के लिए, इस उच्च दक्षता को सीधे लागत लाभ में परिवर्तित किया जा सकता है: उदाहरण के रूप में 1500 किलोवाट औद्योगिक मोटर लेते हुए, यह प्रति वर्ष बिजली लागत में 12,000 युआन से अधिक बचा सकता है, और उद्यमों को औद्योगिक क्षेत्र में ऊर्जा-बचत और खपत-कमी के रुझानों का अनुपालन करते हुए दीर्घकालिक उपयोग में काफी परिचालन लागत को कम करने में मदद कर सकता है।
4. स्थिर और शांत संचालन, एकाधिक परिदृश्यों के लिए उपयुक्त
बेयरिंग फिट सटीकता को अनुकूलित करके और कम घर्षण गुणांक के साथ चिकनाई वाले ग्रीस का उपयोग करके, इस कम शोर वाले सार्वभौमिक संयुक्त युग्मन के ऑपरेटिंग शोर को 30-40 डीबी (ए) पर सख्ती से नियंत्रित किया जाता है, जो दैनिक कार्यालय के परिवेश शोर स्तर के बराबर है और पूरी तरह से औद्योगिक साइटों के शोर उत्सर्जन मानकों का अनुपालन करता है। शोर-संवेदनशील परिदृश्यों में - जैसे कि खाद्य प्रसंस्करण संयंत्रों में उत्पादन लाइनें और सटीक इलेक्ट्रॉनिक घटकों के लिए उपकरण भेजना - यह न केवल ट्रांसमिशन सिस्टम की स्थिरता और विश्वसनीयता सुनिश्चित कर सकता है, बल्कि शोर के कारण कार्यशाला के वातावरण या कर्मचारियों के संचालन अनुभव को प्रभावित करने से भी बचा सकता है। साथ ही, स्थिर ट्रांसमिशन विशेषताएँ उपकरण कंपन के कारण आसपास के घटकों के घिसाव को भी कम कर सकती हैं, जिससे संपूर्ण उत्पादन प्रणाली की परिचालन स्थिरता और सेवा जीवन में और सुधार होता है।
एसडब्ल्यूसी-डीएच शॉर्ट फ्लेक्स वेल्डिंग टाइप यूनिवर्सल कपलिंग, जिसे अक्सर एसडब्ल्यूसी कार्डन शाफ्ट यूनिवर्सल जॉइंट कपलिंग के रूप में जाना जाता है, मुख्य रूप से रोलिंग मिल्स और होइस्ट जैसे भारी मशीनरी परिदृश्यों में उपयोग किया जाता है। इस प्रकार के उपकरण में संरचनात्मक कॉम्पैक्टनेस और लचीलेपन के लिए अत्यधिक आवश्यकताएं होती हैं - केवल इन दो बिंदुओं को पूरा करके ही कुशल संचालन प्राप्त किया जा सकता है, और यह युग्मन ऐसी आवश्यकताओं को पूरी तरह से पूरा करता है। एक उच्च-टोक़ सार्वभौमिक संयुक्त युग्मन के रूप में, यह दो ट्रांसमिशन शाफ्ट को गैर-संयोग अक्षों के साथ प्रभावी ढंग से जोड़ सकता है, जो कठोर औद्योगिक वातावरण में भी निर्बाध विद्युत संचरण सुनिश्चित करता है, जिसके लिए शाफ्ट सिस्टम मिसलिग्न्मेंट के लिए सटीक मुआवजे की आवश्यकता होती है।
व्यावहारिक अनुप्रयोगों में, चाहे रोलिंग मिल कार्य के दौरान रोलिंग मिल संचालन के लिए एक विश्वसनीय हेवी-ड्यूटी यूनिवर्सल संयुक्त युग्मन की आवश्यकता हो, या उठाने और सामग्री प्रबंधन उपकरण में एक टिकाऊ एसडब्ल्यूसी सार्वभौमिक संयुक्त शाफ्ट युग्मन की आवश्यकता हो, यह उत्पाद उत्कृष्ट प्रदर्शन कर सकता है - यह अत्यधिक भार के तहत भी स्थिर उपकरण संचालन को बनाए रख सकता है। इसकी अनुकूलनशीलता का लाभ विशेष रूप से कॉम्पैक्ट उपकरण लेआउट में प्रमुख है जहां स्थान सीमित है और एक छोटी लचीली संरचना डिजाइन की आवश्यकता होती है।
यह एसडब्ल्यूसी-डीएच औद्योगिक सार्वभौमिक संयुक्त युग्मन उन्नत इंजीनियरिंग तकनीक के साथ बनाया गया है और विशेष रूप से औद्योगिक परिदृश्यों के लिए प्रदर्शन और सेवा जीवन के लिए अनुकूलित है। इसकी मुख्य संरचनात्मक विशेषता इसके उचित और सुरक्षित डिजाइन में निहित है: एकीकृत कांटा सिर संरचना मूल रूप से बोल्ट के ढीलेपन या टूटने के छिपे खतरों को समाप्त करती है, जिससे समग्र ताकत 30% -50% बढ़ जाती है। यह डिज़ाइन न केवल संचालन की सुरक्षा और विश्वसनीयता सुनिश्चित करता है, बल्कि पारंपरिक मॉडलों की तुलना में सेवा जीवन को भी बढ़ाता है, जबकि भारी मशीनरी सार्वभौमिक संयुक्त युग्मन सिस्टम जैसे उच्च-तनाव अनुप्रयोग परिदृश्यों में सामान्य विफलता समस्याओं से बचाता है।
इसके अलावा, अधिक वजन झेलने के लिए डिज़ाइन के माध्यम से इसकी भार-वहन क्षमता को बढ़ाया जाता है, इसलिए यह एसडब्ल्यूसी हेवी-ड्यूटी यूनिवर्सल जॉइंट कपलिंग खनन मशीनरी और निर्माण उपकरण जैसी भार-वहन क्षमता पर सख्त आवश्यकताओं वाले परिदृश्यों के लिए बहुत उपयुक्त है। ट्रांसमिशन दक्षता के मामले में यह 98.6% तक पहुंच जाती है। बड़े पावर ट्रांसमिशन के लिए एक कुशल सार्वभौमिक संयुक्त युग्मन के रूप में, यह ऊर्जा की खपत और बिजली की लागत को काफी कम कर सकता है, जिससे यह उच्च-शक्ति औद्योगिक ट्रांसमिशन के क्षेत्र में ऊर्जा-बचत सार्वभौमिक संयुक्त युग्मन समाधान के लिए एक पसंदीदा उत्पाद बन जाता है।
अंत में, इस युग्मन में स्थिर संचरण की सुविधा होती है, जिसमें ऑपरेटिंग शोर आमतौर पर 30-40 डीबी (ए) पर नियंत्रित होता है, जिससे यह कम शोर वाला सार्वभौमिक संयुक्त युग्मन बन जाता है। यह विशेषता इसे हर समय उच्च विश्वसनीयता बनाए रखते हुए शोर-संवेदनशील औद्योगिक परिदृश्यों में भी चुपचाप काम करने की अनुमति देती है।
⭐⭐⭐⭐⭐ वांग लेई, प्रोजेक्ट इंजीनियर, गुआंगडोंग हेवी मशीनरी कंपनी लिमिटेड।
हम पिछले कुछ समय से अपनी भारी मशीनरी में Raydafon के SWC-DH शॉर्ट फ्लेक्स वेल्डिंग टाइप यूनिवर्सल कपलिंग का उपयोग कर रहे हैं, और यह एक सुखद आश्चर्य है - खासकर जब तंग स्थानों में फिट करने की बात आती है। हमारे उपकरण में ट्रांसमिशन भागों के लिए बहुत सीमित जगह है, लेकिन इस कपलिंग का कॉम्पैक्ट डिज़ाइन एक दस्ताने की तरह फिट बैठता है, इसे काम करने के लिए अन्य घटकों को पुनर्व्यवस्थित करने की आवश्यकता नहीं है।
इससे भी अच्छी बात यह है कि यह आकार के लिए प्रदर्शन का त्याग नहीं करता है। यह अभी भी मजबूत, स्थिर टॉर्क ट्रांसमिशन प्रदान करता है - जो हमारे हेवी-ड्यूटी संचालन के लिए महत्वपूर्ण है। हमने इसे हफ्तों तक लगातार चलाया है, और कोई असामान्य कंपन नहीं हुआ है; पूरी व्यवस्था सुचारू रहती है. वेल्डिंग की गुणवत्ता भी एक और मुख्य आकर्षण है - आप इसे देखकर ही बता सकते हैं कि यह ठोस है, जिससे हमें पूरा विश्वास होता है कि यह लंबे समय तक भारी उपयोग के लिए तैयार रहेगा। अंतरिक्ष-बचत डिज़ाइन और विश्वसनीयता को संतुलित करने वाले युग्मन के लिए, यह एक विजेता है।
⭐⭐⭐⭐⭐ झाओ मिंग, प्रोक्योरमेंट मैनेजर, टियांजिन स्टील इक्विपमेंट कंपनी लिमिटेड।
हमने हाल ही में रायडफ़ोन से कई एसडब्ल्यूसी-डीएच कपलिंग का ऑर्डर दिया है, और मुझे कहना होगा कि पूरी खरीद प्रक्रिया आसान थी - कोई सिरदर्द नहीं, कोई देरी नहीं। जिस क्षण से हमने ऑर्डर भेजा, उनकी टीम उत्तरदायी थी, और डिलीवरी निर्धारित तिथि पर हुई, जो हमारे उत्पादन को ट्रैक पर रखने के लिए एक बड़ा प्लस है। पैकेजिंग भी शीर्ष पायदान पर थी: प्रत्येक कपलिंग को सुरक्षित रूप से लपेटा गया था, शिपिंग के दौरान कोई डेंट या क्षति नहीं थी - बस अनबॉक्स करने और इंस्टॉल करने के लिए तैयार।
हमारी तकनीकी टीम ने सेटअप को संभाला, और उन्होंने तुरंत बताया कि इसे माउंट करना कितना आसान था। कोई जटिल कदम नहीं, विशेष उपकरणों की खोज करने की आवश्यकता नहीं - उन्होंने इसे तुरंत फिट कर दिया, और यह तब से विश्वसनीय रूप से चल रहा है। जब आप इस सुसंगत प्रदर्शन के साथ उचित मूल्य को ध्यान में रखते हैं, तो यह स्पष्ट है कि यह युग्मन बहुत अच्छा मूल्य प्रदान करता है। हम पहले से ही इसे अपनी नियमित खरीद सूची में रखने की योजना बना रहे हैं; यह उस प्रकार का उत्पाद है जो एक खरीदार के रूप में मेरे काम को आसान बनाता है।
⭐⭐⭐⭐⭐ लियू होंग, रखरखाव निदेशक, शेडोंग औद्योगिक समूह
उपकरण रखरखाव की देखरेख करने वाले व्यक्ति के रूप में, मेरी सबसे बड़ी प्राथमिकता डाउनटाइम में कटौती करना और मेरी टीम द्वारा पार्ट्स की सर्विसिंग पर खर्च किए जाने वाले समय को कम करना है। Raydafon का SWC-DH कपलिंग उन दोनों बॉक्स को पूरी तरह से जांचता है। हम इसका उपयोग उन उपकरणों में करते हैं जो प्रतिदिन भारी कार्यभार के तहत चलते हैं, और यह कभी फिसलता या हिलता नहीं है - मजबूती से अपनी जगह पर रहता है, कोई कनेक्शन ढीला नहीं होता है। महीनों के उपयोग के बाद भी, घिसाव का कोई निशान नहीं है, जो हमारे द्वारा पहले उपयोग किए गए अन्य कपलिंगों से बहुत बड़ा विपरीत है।
उन पुराने कपलिंगों के साथ, हम हमेशा त्वरित सुधार या भाग प्रतिस्थापन का समय निर्धारित करते थे, जिससे उत्पादन समय बर्बाद हो जाता था और लागत बढ़ जाती थी। यह वाला? हम बमुश्किल इसे छू पाते हैं—कोई बार-बार सर्विसिंग नहीं, कोई अप्रत्याशित खराबी नहीं। इसने रखरखाव पर हमारा बहुत समय और पैसा बचाया है, और यह अपना काम विश्वसनीय ढंग से करता रहता है। इन दिनों, यह हमारे दैनिक कार्यों में एक अनिवार्य घटक बन गया है; मुझे इसके विफल होने के बारे में चिंता करने की ज़रूरत नहीं है, जो मुझे अन्य प्राथमिकताओं पर ध्यान केंद्रित करने देता है। यह बिल्कुल वैसा ही विश्वसनीय हिस्सा है जिसकी हर रखरखाव टीम को आवश्यकता होती है।
पता
लुओटुओ औद्योगिक क्षेत्र, झेनहाई जिला, निंगबो शहर, चीन
टेलीफोन
ईमेल


+86-574-87168065


लुओटुओ औद्योगिक क्षेत्र, झेनहाई जिला, निंगबो शहर, चीन
कॉपीराइट © रेडाफॉन टेक्नोलॉजी ग्रुप कं, लिमिटेड सर्वाधिकार सुरक्षित।
Links | Sitemap | RSS | XML | Privacy Policy |
